GM Service Manual Online
For 1990-2009 cars only
Makes
🢒
Chevrolet
🢒
2002
🢒
Chevy C Silverado - 2WD
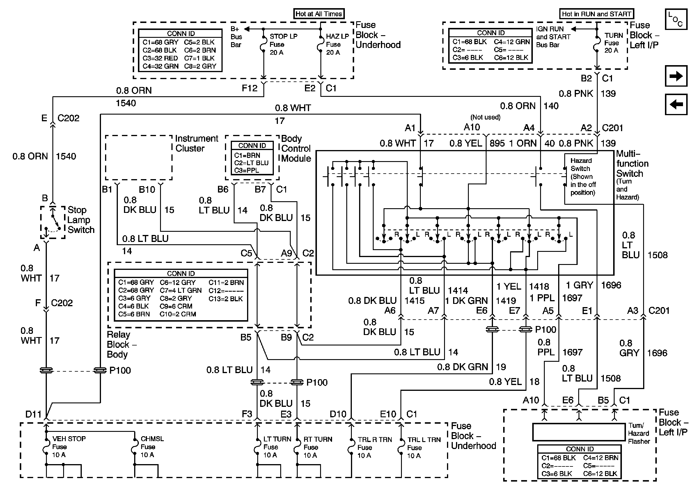
🢒 Stop, Turn, and Hazard Bus Bars
Stop, Turn, and Hazard Bus Bars
Stop, Turn, and Hazard Bus Bars
Master Electrical Component List
B/U LAMP, BTSI, VEH B/U and TRL B/U Fuses
Ignition, Run, Accessory, and RAP Bus Bars - RAP#1 and RAP#2 Fuses
B+ Bus Bar
Ignition, Run, and Start Bus Bar