GM Service Manual Online
For 1990-2009 cars only
Makes
🢒
Chevrolet
🢒
2002
🢒
Chevy C Silverado - 2WD
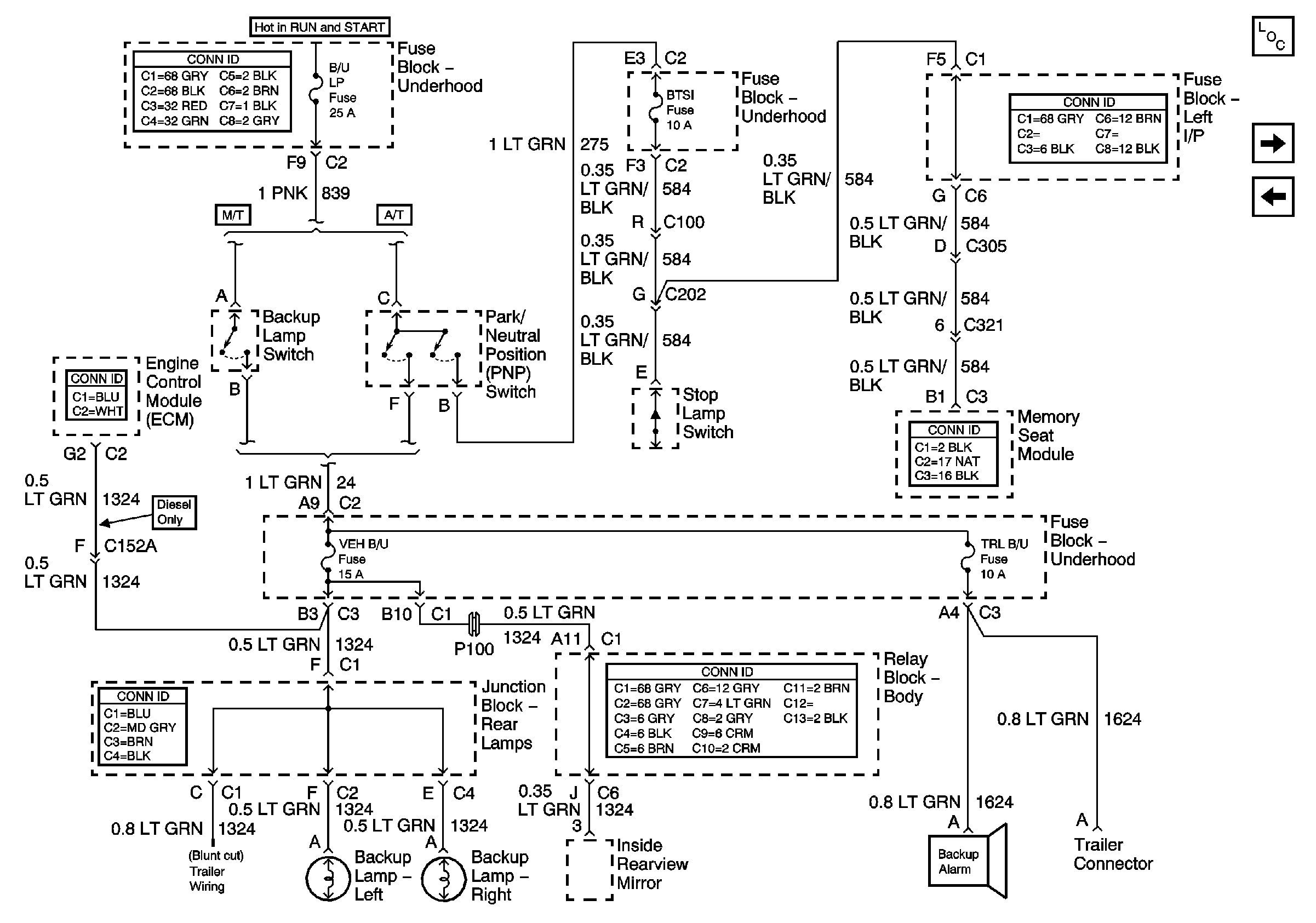
🢒 B/U LAMP, BTSI, VEH B/U and TRL B/U Fuses
B/U LAMP, BTSI, VEH B/U and TRL B/U Fuses
B/U LAMP, BTSI, VEH B/U, and TRL B/U Fuses
Master Electrical Component List
ABS, HAZ LP, STUD 1, HTD MIR, RR DEFOG, STUD 2, CTSY LP, and PARK LP Fuses
Stop, Turn, and Hazard Bus Bars