GM Service Manual Online
For 1990-2009 cars only
Makes
🢒
Chevrolet
🢒
2002
🢒
Chevy C Silverado - 2WD
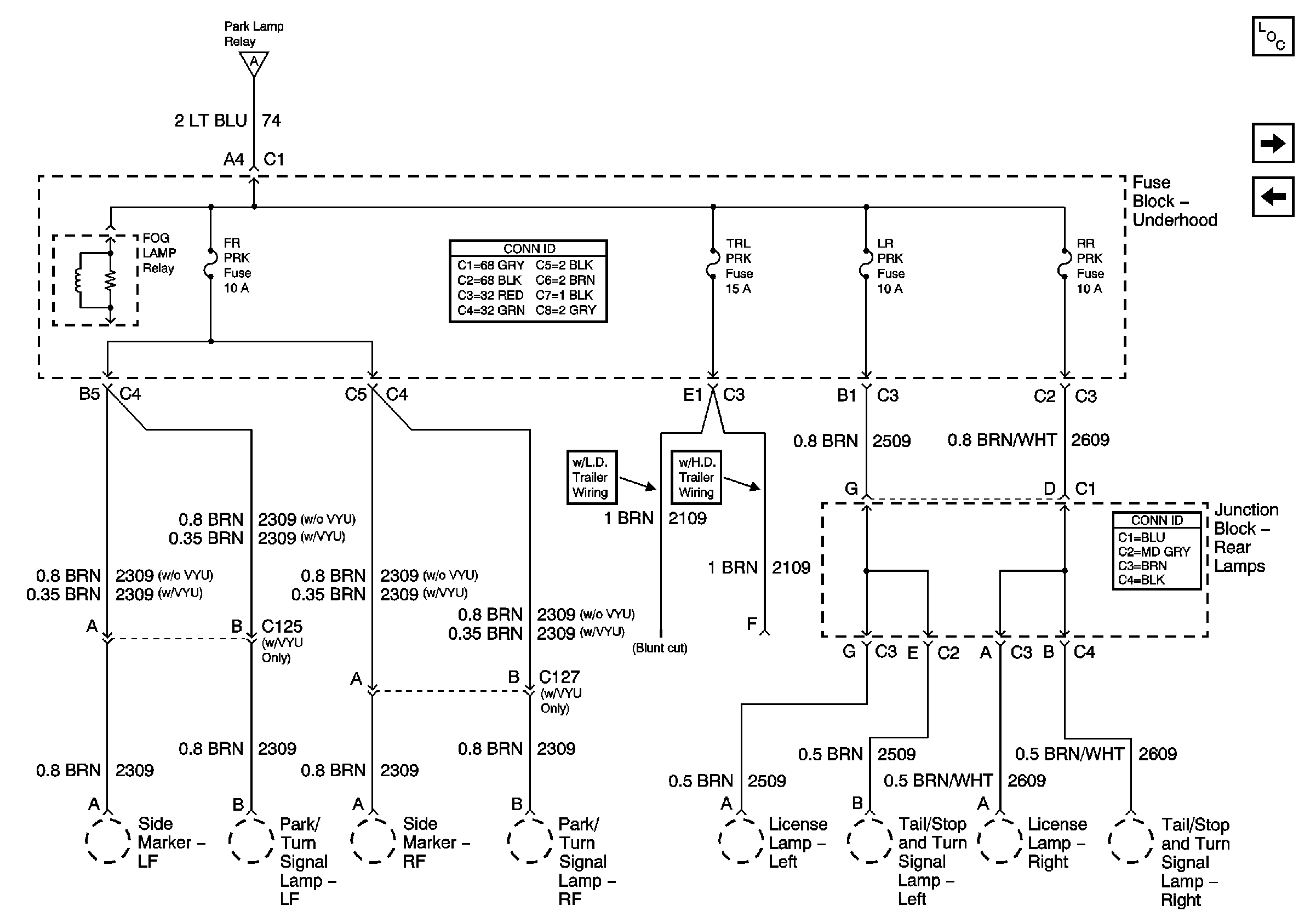
🢒 FR PRK, TRL PRK, LR PRK, and RR PRK Fuses
FR PRK, TRL PRK, LR PRK, and RR PRK Fuses
FR PRK, TRL PRK, LR PRK, and RR PRK Fuses
Master Electrical Component List
INT PRK Fuse
ABS, HAZ LP, STUD 1, HTD MIR, RR DEFOG, STUD 2, CTSY LP, and PARK LP Fuses
ABS, HAZ LP, STUD 1, HTD MIR, RR DEFOG, STUD 2, CTSY LP, and PARK LP Fuses