GM Service Manual Online
For 1990-2009 cars only
Makes
🢒
Chevrolet
🢒
2002
🢒
Chevy C Silverado - 2WD
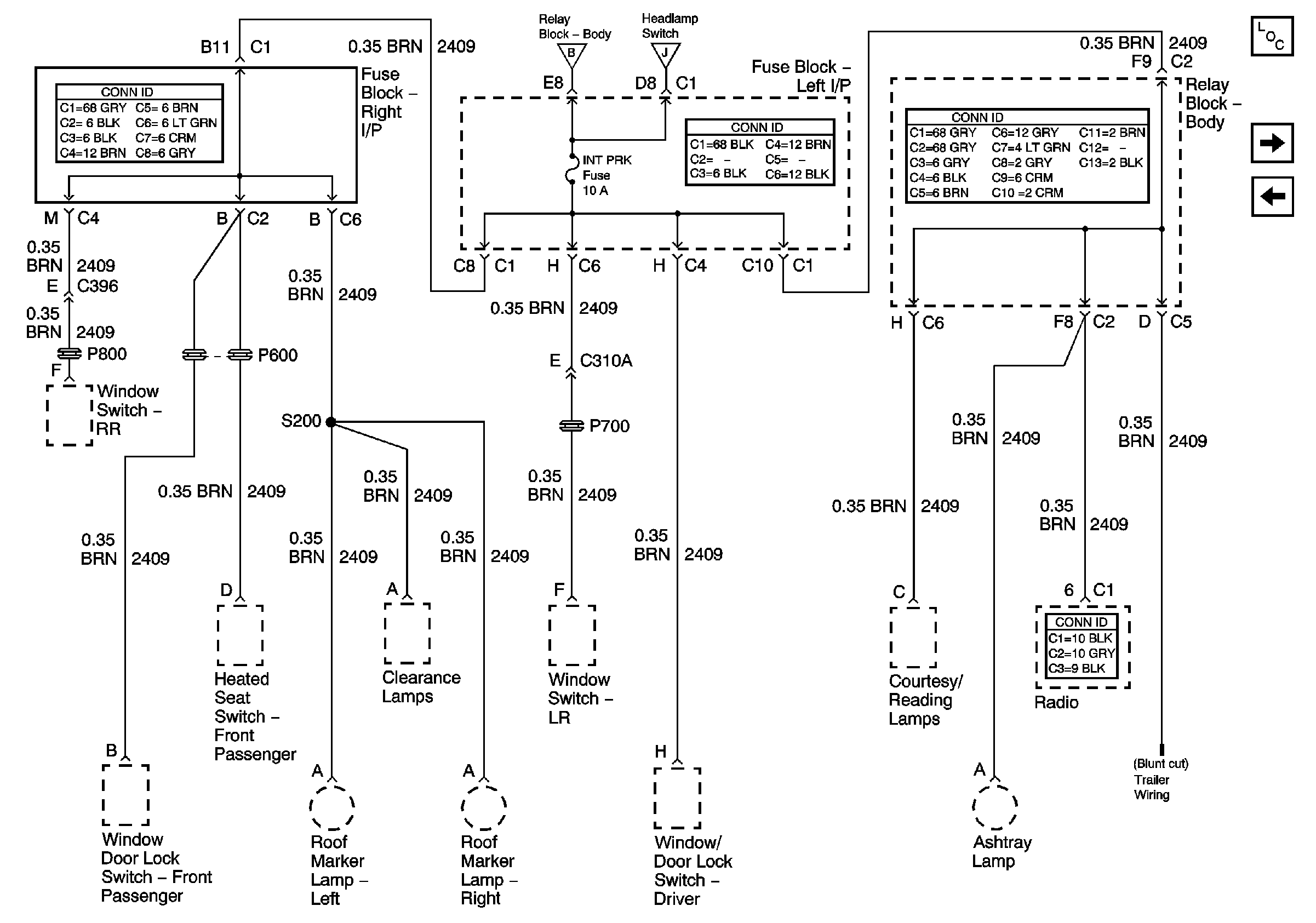
🢒 INT PRK Fuse
INT PRK Fuse
INT PRK Fuse
Master Electrical Component List
LT TURN, RT TURN, TRL L TURN, TRL R TURN, VEH STOP, and CHMSL Fuses
FR PRK, TRL PRK, LR PRK, and RR PRK Fuses
ABS, HAZ LP, STUD 1, HTD MIR, RR DEFOG, STUD 2, CTSY LP, and PARK LP Fuses
ABS, HAZ LP, STUD 1, HTD MIR, RR DEFOG, STUD 2, CTSY LP, and PARK LP Fuses