GM Service Manual Online
For 1990-2009 cars only
Makes
🢒
Chevrolet
🢒
2002
🢒
Chevy C Silverado - 2WD
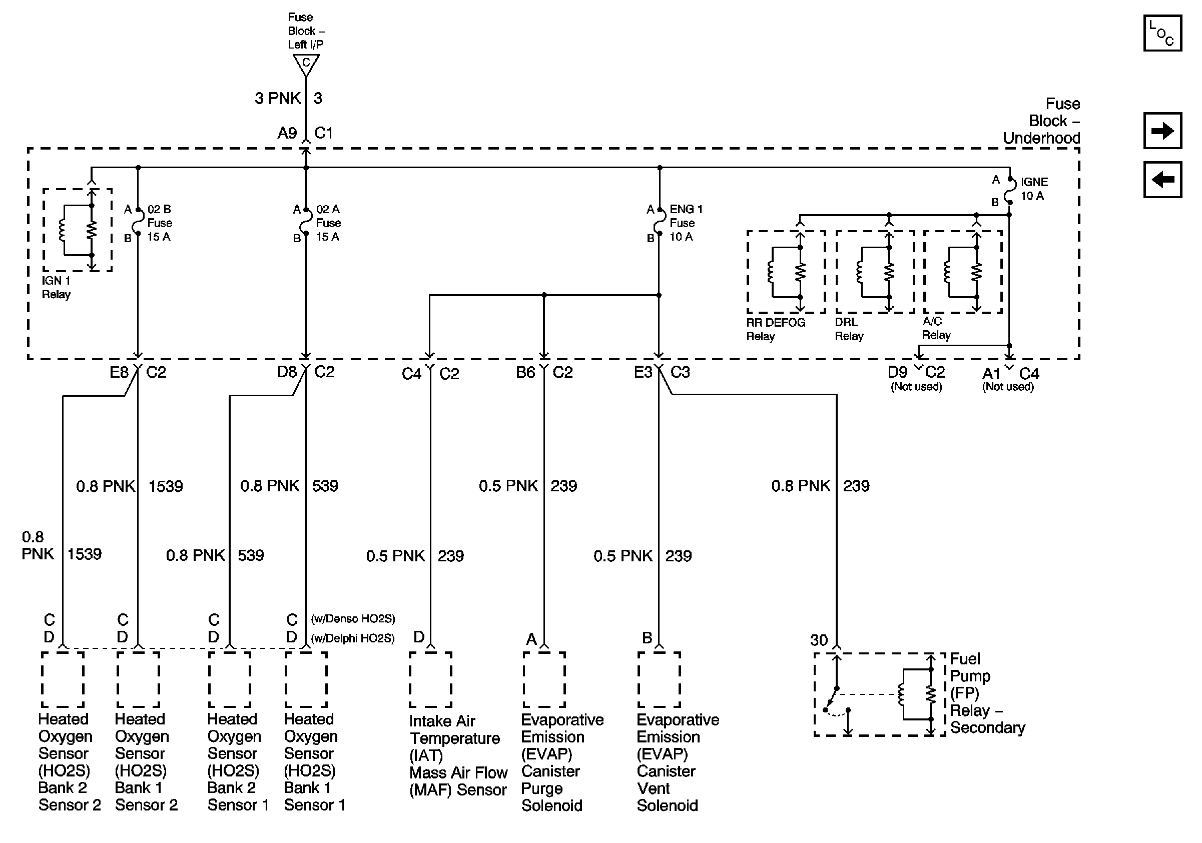
🢒 02B, 02A, ENG 1, and IGN E Fuses - Gas Only
02B, 02A, ENG 1, and IGN E Fuses - Gas Only
02B, 02A, ENG 1, and IGN E Fuses - Gas Only
Master Electrical Component List
AIR, RTD, RADIO, RDO AMP, ECM B, FRT HVAC, and CIGAR Fuses
IGN 1, TURN, SEO IGN, AIR BAG, CRANK, and IGN 0 Fuses
IGN 1, TURN, SEO IGN, AIR BAG, CRANK, and IGN 0 Fuses