GM Service Manual Online
For 1990-2009 cars only
Makes
🢒
Chevrolet
🢒
2002
🢒
Chevy C Silverado - 2WD
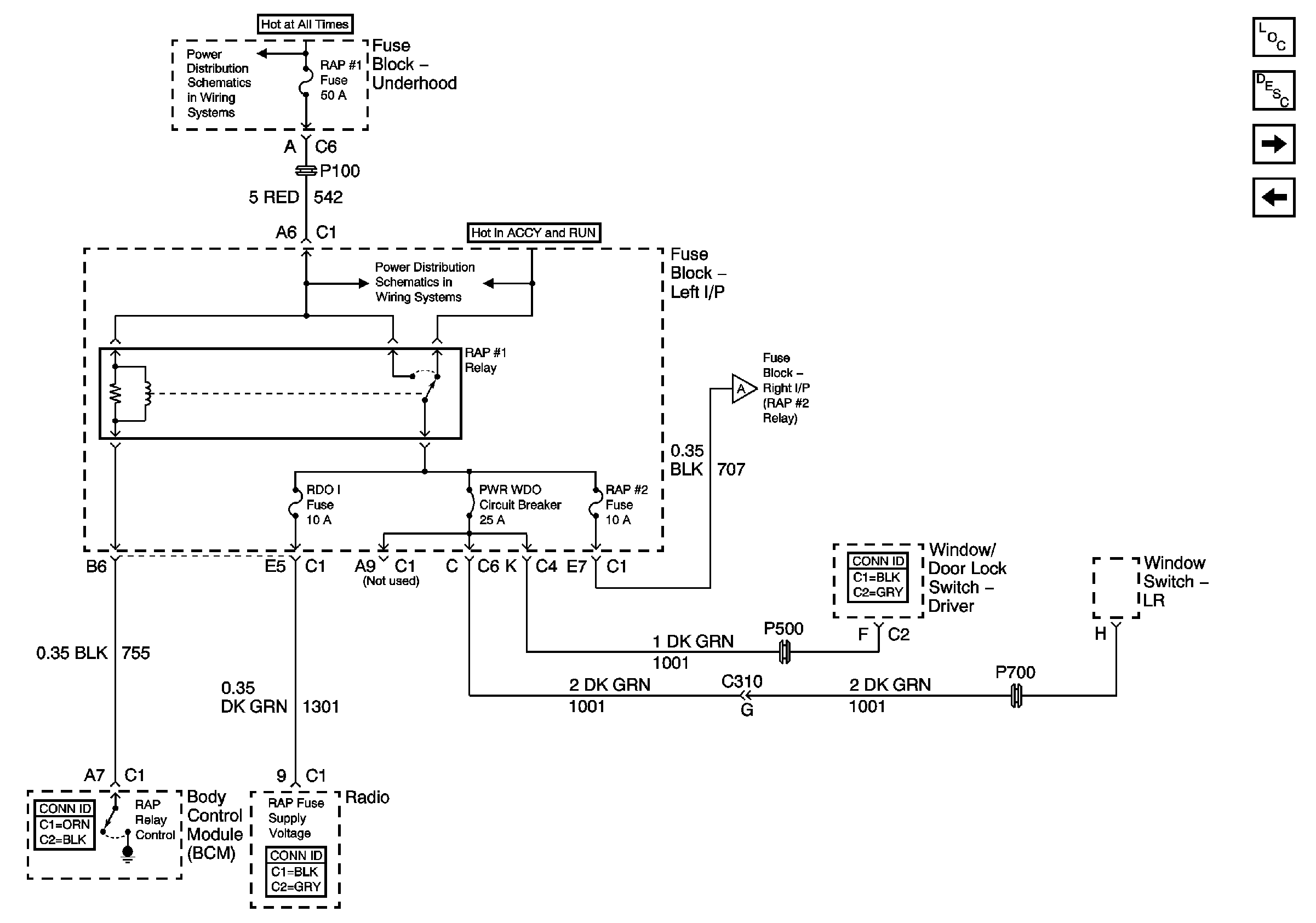
🢒 02 GMT800 Rap Relay, Radio, Window/Door Lock Switch
02 GMT800 Rap Relay, Radio, Window/Door Lock Switch
RAP #1 Relay Control - Crewcab
Master Electrical Component List
Retained Accessory Power (RAP) Description and Operation
02 GMT800 Rap 2 Relay, G200, Sunroof Module, Window/Door Lock Switch
RAP Schematics - Pickup
Ignition, Run, Accessory, and RAP Bus Bars - RAP#1 and RAP#2 Fuses
Ignition, Run, Accessory, and RAP Bus Bars - RAP#1 and RAP#2 Fuses
Ignition, Run, Accessory, and RAP Bus Bars - RAP#1 and RAP#2 Fuses
02 GMT800 Rap 2 Relay, G200, Sunroof Module, Window/Door Lock Switch
Ignition, Run, Accessory, and RAP Bus Bars - RAP#1 and RAP#2 Fuses
Driver Information System Schematics