GM Service Manual Online
For 1990-2009 cars only
Makes
🢒
Chevrolet
🢒
2002
🢒
Chevy C Silverado - 2WD
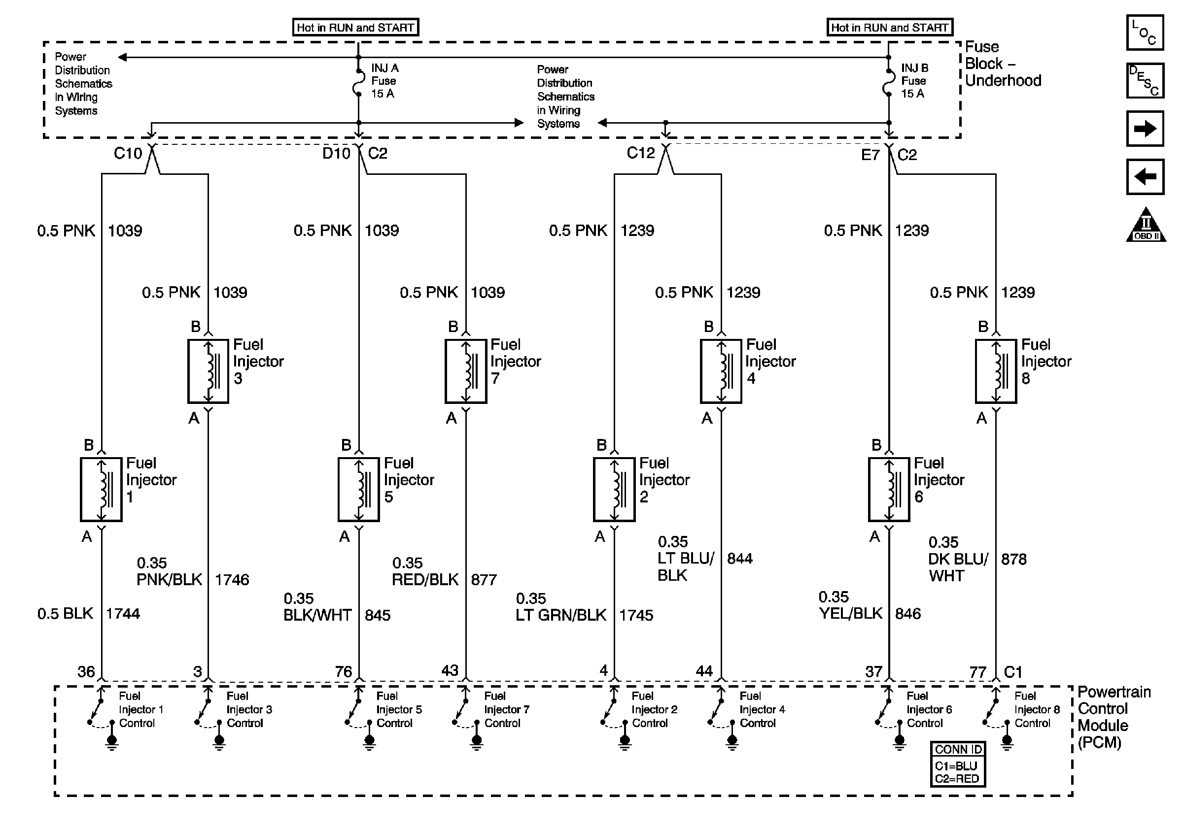
🢒 Fuel Controls - Fuel Injectors
Fuel Controls - Fuel Injectors
Fuel Controls - Fuel Injectors
Master Electrical Component List
Powertrain Control Module Description
Fuel Controls - EVAP Controls and Fuel Composition Sensor
Fuel Controls - Fuel Pump Controls
OBD II Symbol Description Notice
ECM 1, ETC, INJ A, and INJ B Fuses - Gas Only
ECM 1, ETC, INJ A, and INJ B Fuses - Gas Only