GM Service Manual Online
For 1990-2009 cars only
Makes
🢒
Chevrolet
🢒
2002
🢒
Chevy C Silverado - 2WD
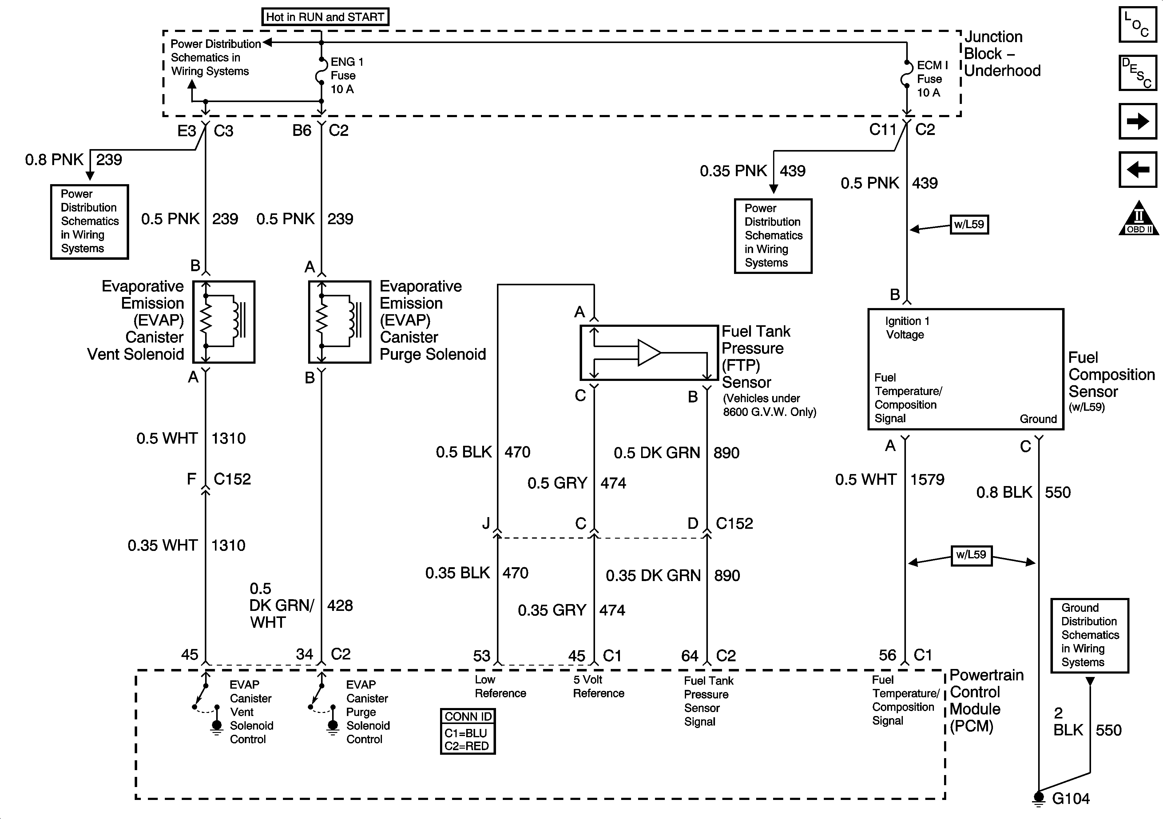
🢒 Fuel Controls - EVAP Controls and Fuel Composition Sensor
Fuel Controls - EVAP Controls and Fuel Composition Sensor
Fuel Controls - EVAP Controls and Fuel Composition Sensor
Master Electrical Component List
Powertrain Control Module Description
Device Controls - EGR and IAC
Fuel Controls - Fuel Injectors
OBD II Symbol Description Notice
02B, 02A, ENG 1, and IGN E Fuses - Gas Only
02B, 02A, ENG 1, and IGN E Fuses - Gas Only
ECM 1, ETC, INJ A, and INJ B Fuses - Gas Only
G104 - Gas