GM Service Manual Online
For 1990-2009 cars only
Makes
🢒
Chevrolet
🢒
2002
🢒
Chevy C Silverado - 2WD
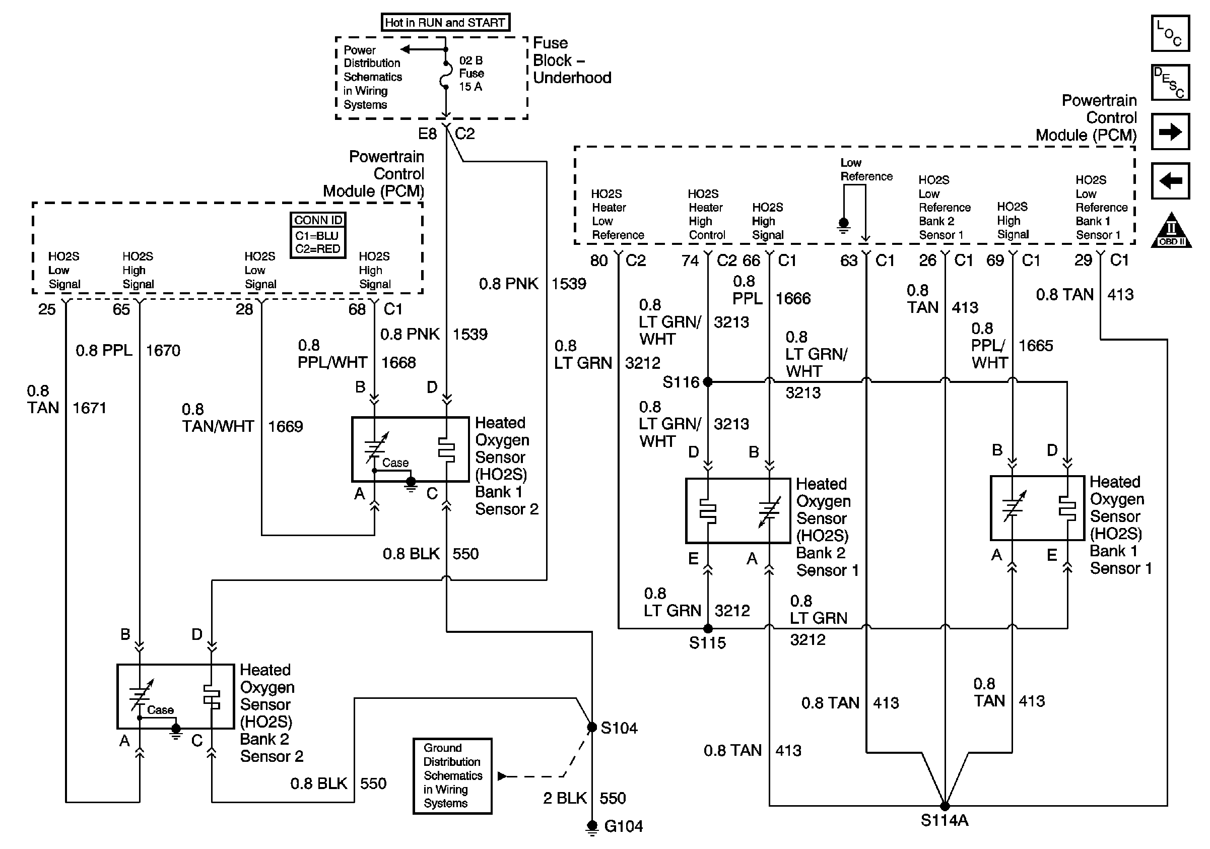
🢒 Engine Data Sensors - HO2S 6.0L w/Isolated and Case Grounded Sensors
Engine Data Sensors - HO2S 6.0L w/Isolated and Case Grounded Sensors
Engine Data Sensors - H02S 6.0L w/Isolated and Case Grounded Sensors
Master Electrical Component List
Powertrain Control Module Description
Engine Data Sensors - HO2S 6.0L w/Isolated Grounded Sensors
Engine Data Sensors - HO2S 4.8, 5.3L w/Isolated Grounded Sensors
OBD II Symbol Description Notice
02B, 02A, ENG 1, and IGN E Fuses - Gas Only
G104 - Gas