GM Service Manual Online
For 1990-2009 cars only
Makes
🢒
Chevrolet
🢒
2002
🢒
Chevy C Silverado - 2WD
🢒 Switch Inputs and Class 2
Switch Inputs and Class 2
Switch Inputs and Class 2
Master Electrical Component List
Transfer Case Description and Operation
Propshaft Speed Sensors and Front Axle Actuator
IGN 1, TURN, SEO IGN, AIR BAG, CRANK, and IGN 0 Fuses
AUX PWR and HORN Fuses
Indicators
AUX PWR and HORN Fuses
AUX PWR and HORN Fuses
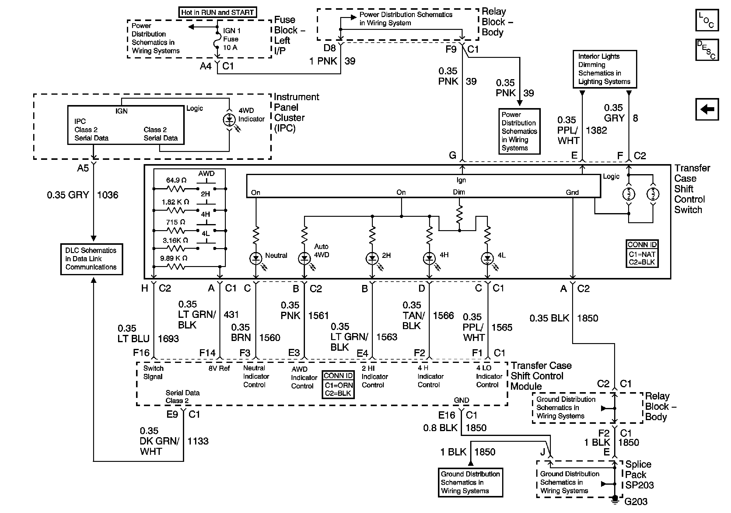
HVAC Control Module/Blower Control Switch, Traction Control Switch, and Transfer Case Shift Control Switch
Splice Pack SP205
G203 - 2 of 3 - Base Except Crew Cab
G203 - 2 of 3 - Uplevel and Crew Cab
G203 - 1 of 3
G203 - 1 of 3