GM Service Manual Online
For 1990-2009 cars only

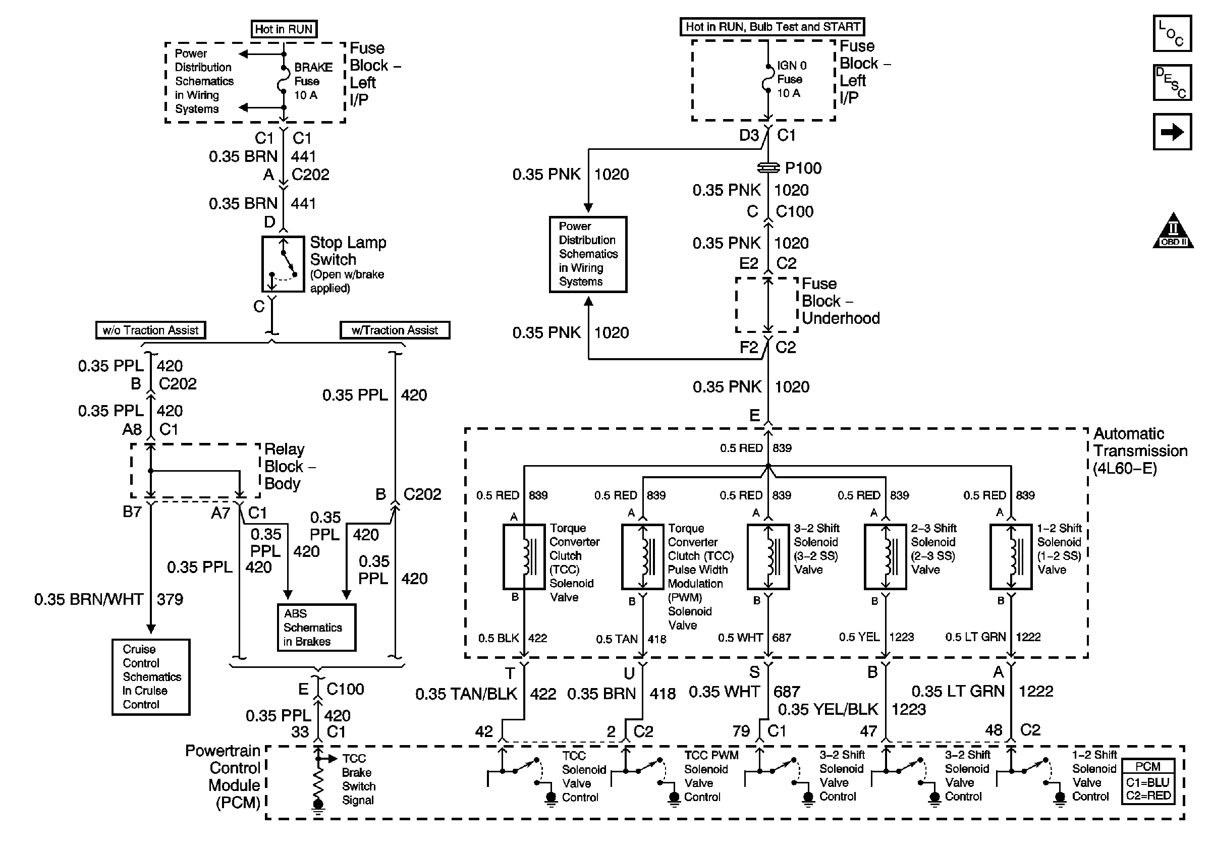
Valve Controls and Brake Switch

Valve Controls and Brake Switch


Object Number: 770460  Size: FS
Master Electrical Component List
Automatic Transmission Electrical Connector Description
Switch Inputs
OBD II Symbol Description Notice
BRAKE, Cruise, HTR A/C, RR WPR, WS WPR, and SEO ACCY Fuses
IGN 1, TURN, SEO IGN, AIR BAG, CRANK, and IGN 0 Fuses
Cruise Control Module , Clutch Start Switch, and Stop Lamp Switch - Gas w/o ETC
Power, Ground, Class 2 Communication (w/o Traction Assist)