GM Service Manual Online
For 1990-2009 cars only
Makes
🢒
Chevrolet
🢒
2002
🢒
Chevy C Silverado - 2WD
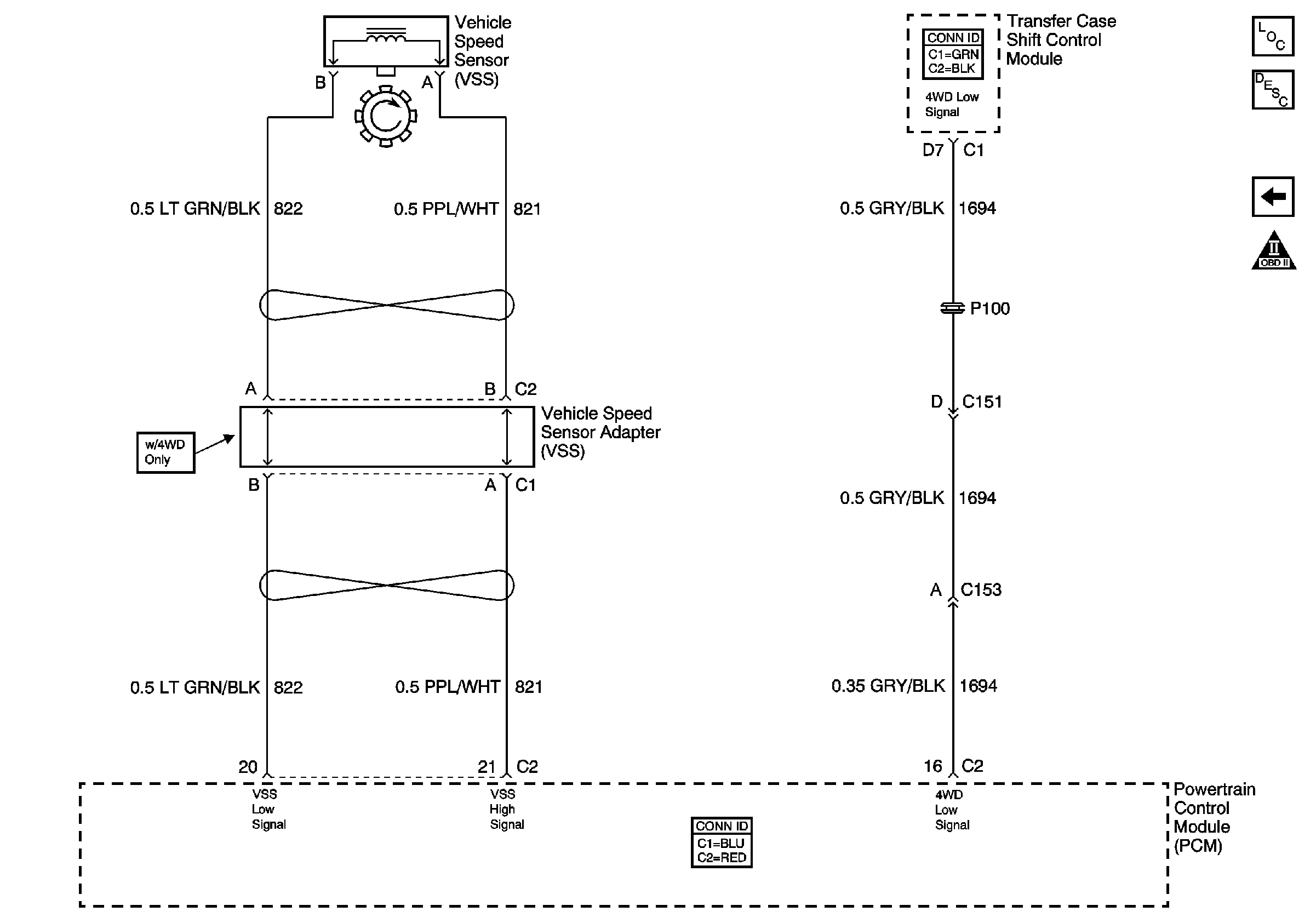
🢒 Vehicle Speed Signal and 4WD Low Signal
Vehicle Speed Signal and 4WD Low Signal
Vehicle Speed Signal and 4WD Low Signal
Master Electrical Component List
Automatic Transmission Electrical Connector Description
Tow/Haul and PNP Switch Inputs
OBD II Symbol Description Notice