GM Service Manual Online
For 1990-2009 cars only
Makes
🢒
Chevrolet
🢒
2002
🢒
Chevy C Silverado - 2WD
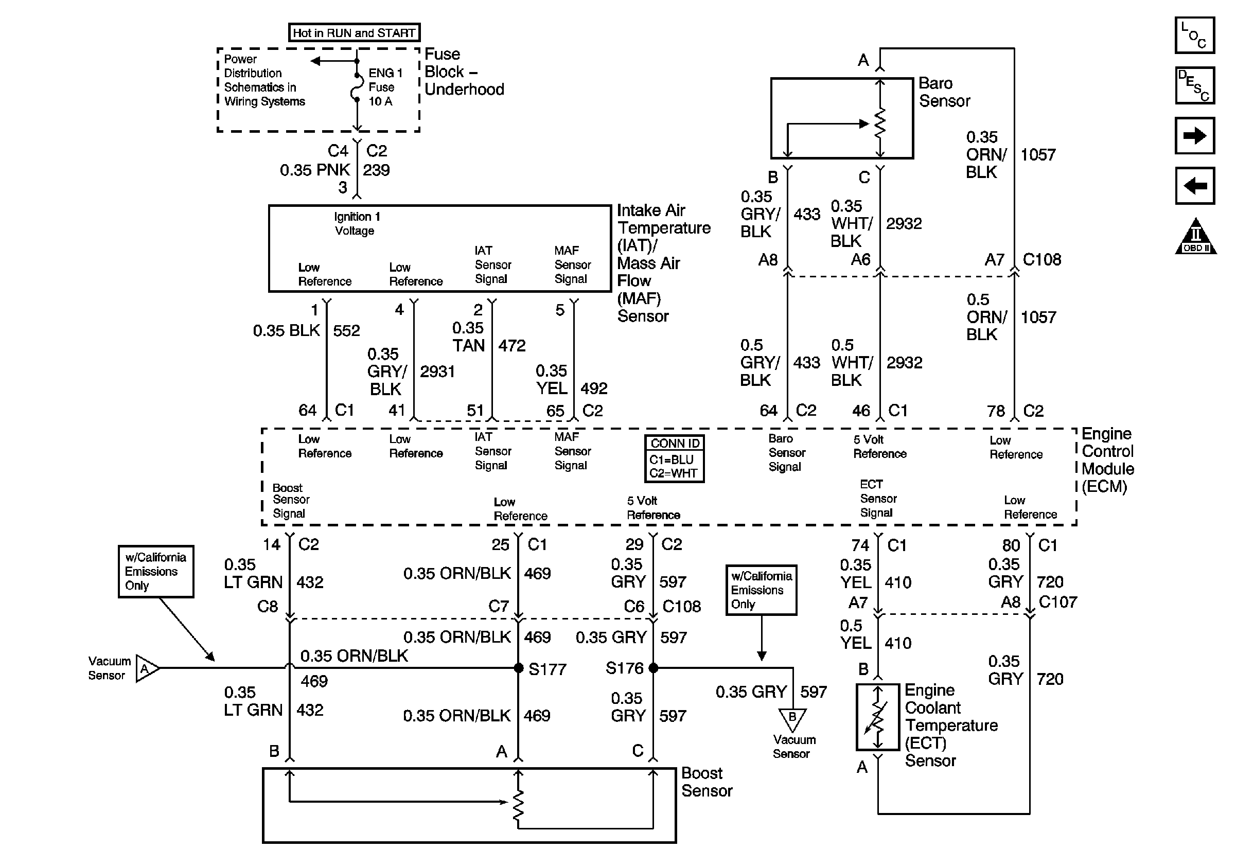
🢒 Engine Data Sensors - Pressure and Temperature
Engine Data Sensors - Pressure and Temperature
Engine Data Sensors - Pressure and Temperature
Master Electrical Component List
Engine Control Module Description
Engine Data Sensors - EGR and Vacuum - California Emissions Only
MIL Control and Serial Data
OBD II Symbol Description Notice
Ignition, Run, and Start Bus Bar
Engine Data Sensors - EGR and Vacuum - California Emissions Only
Engine Data Sensors - EGR and Vacuum - California Emissions Only