GM Service Manual Online
For 1990-2009 cars only
Makes
🢒
Chevrolet
🢒
2002
🢒
Chevy C Silverado - 2WD
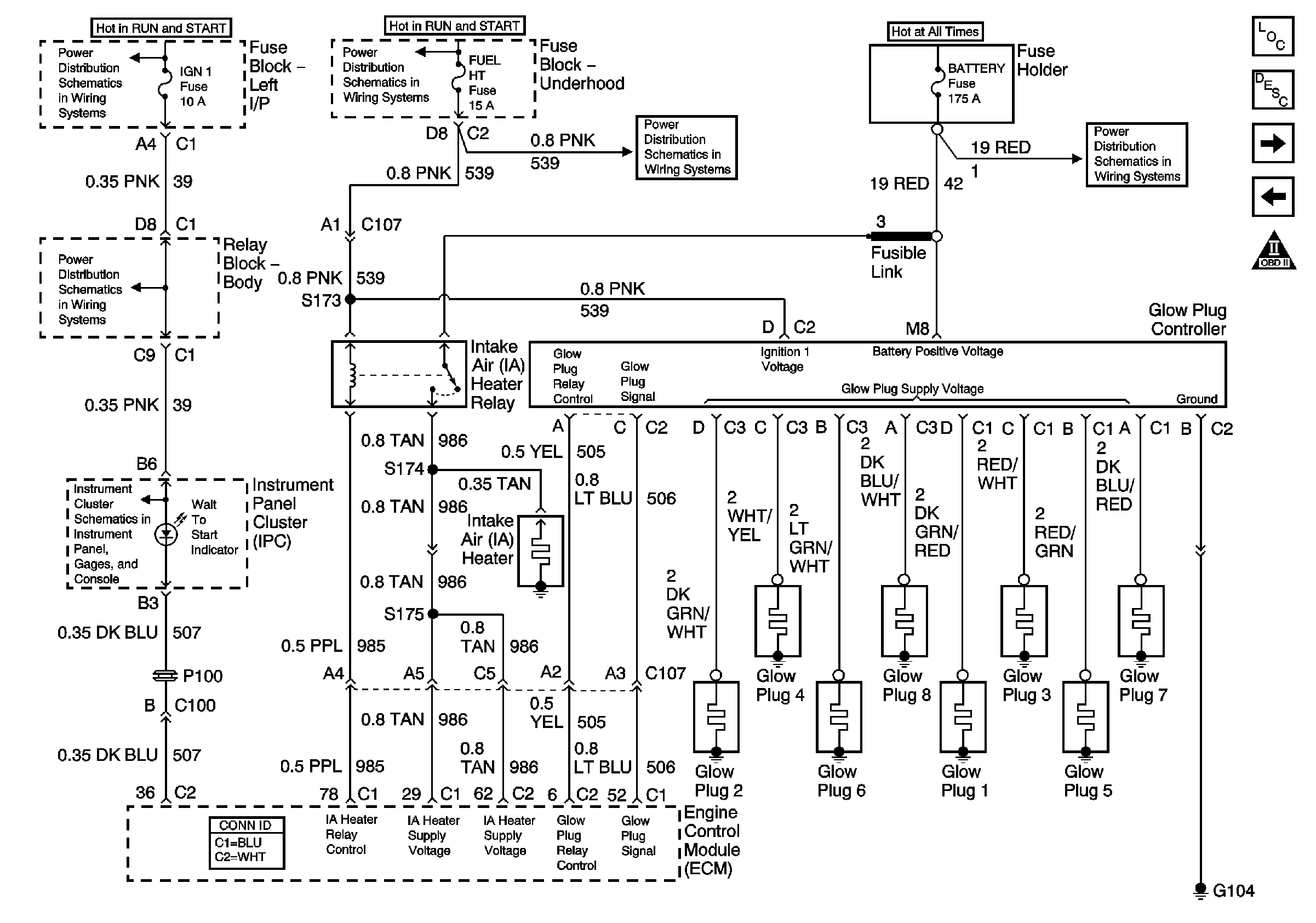
🢒 Engine Data Sensors - Glow Plug Controls - w/California Emissions Only
Engine Data Sensors - Glow Plug Controls - w/California Emissions Only
Engine Data Sensors - Glow Plug Controls - w/California Emissions Only
Master Electrical Component List
Engine Control Module Description
Fuel Controls - Fuel Pump Controls
Engine Data Sensors - Glow Plug Controls - Except California Emissions
OBD II Symbol Description Notice
IGN 1, TURN, SEO IGN, AIR BAG, CRANK, and IGN 0 Fuses
AUX PWR and HORN Fuses
Indicators
ECM I, FUEL HT, ENG 1, IGN E, ECMRPV, and INJ B
ECM I, FUEL HT, ENG 1, IGN E, ECMRPV, and INJ B