GM Service Manual Online
For 1990-2009 cars only
Makes
🢒
Chevrolet
🢒
2002
🢒
Chevy C Silverado - 2WD
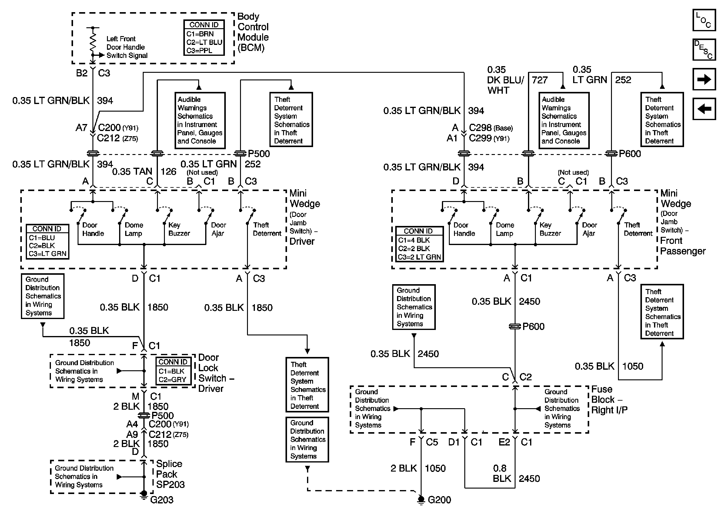
🢒 Door Jamb Switch Signals - Sierra Denali
Door Jamb Switch Signals - Sierra Denali
Door Jamb Switch Signals - Sierra Denali
Master Electrical Component List
Interior Lighting Systems Description and Operation
Door Jamb Switch Signals - Base Crewcab
Parklamp Controls - 3 of 3
Key In Ignition and Turn Signal Chime
Key Cylinder Switches
Key In Ignition and Turn Signal Chime
G203 - 1 of 3
G203 - 1 of 3
G203 - 1 of 3
Key Cylinder Switches
G200
G200
G200
Key Cylinder Switches
Key Cylinder Switches
G200