GM Service Manual Online
For 1990-2009 cars only
Makes
🢒
Chevrolet
🢒
2002
🢒
Chevy C Silverado - 2WD
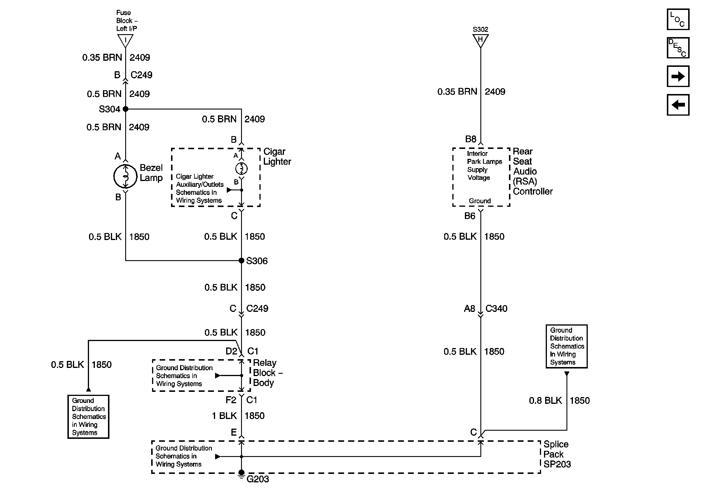
🢒 Parklamp Controls - 3 of 3
Parklamp Controls - 3 of 3
Park Lamp Control - 3 of 3
Master Electrical Component List
Interior Lighting Systems Description and Operation
Door Jamb Switch Signals - Sierra Denali
Parklamp Controls - 2 of 3
Parklamp Controls - 2 of 3
Parklamp Controls - 1 of 3
Luxury Only
G203 - 2 of 3 - Uplevel and Crew Cab
G203 - 2 of 3 - Uplevel and Crew Cab
G203 - 1 of 3
G203 - 1 of 3