GM Service Manual Online
For 1990-2009 cars only
Makes
🢒
Chevrolet
🢒
2002
🢒
Chevy C Silverado - 2WD
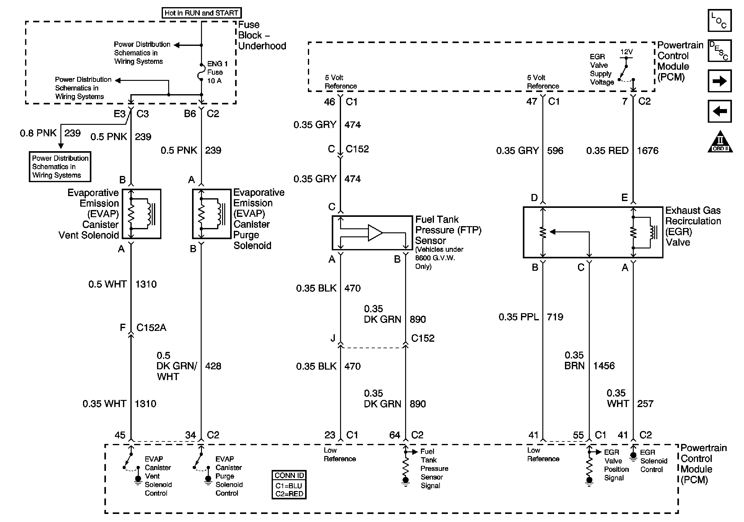
🢒 Fuel Controls - EVAP Controls and EGR
Fuel Controls - EVAP Controls and EGR
Fuel Controls - EVAP Controls and EGR
Master Electrical Component List
Powertrain Control Module Description
Controlled/Monitored Subsystem References
Fuel Controls - Fuel Injectors
OBD II Symbol Description Notice
02B, 02A, ENG 1, and IGN E Fuses - Gas Only
02B, 02A, ENG 1, and IGN E Fuses - Gas Only
02B, 02A, ENG 1, and IGN E Fuses - Gas Only