GM Service Manual Online
For 1990-2009 cars only
Makes
🢒
Chevrolet
🢒
2002
🢒
Chevy C Silverado - 2WD
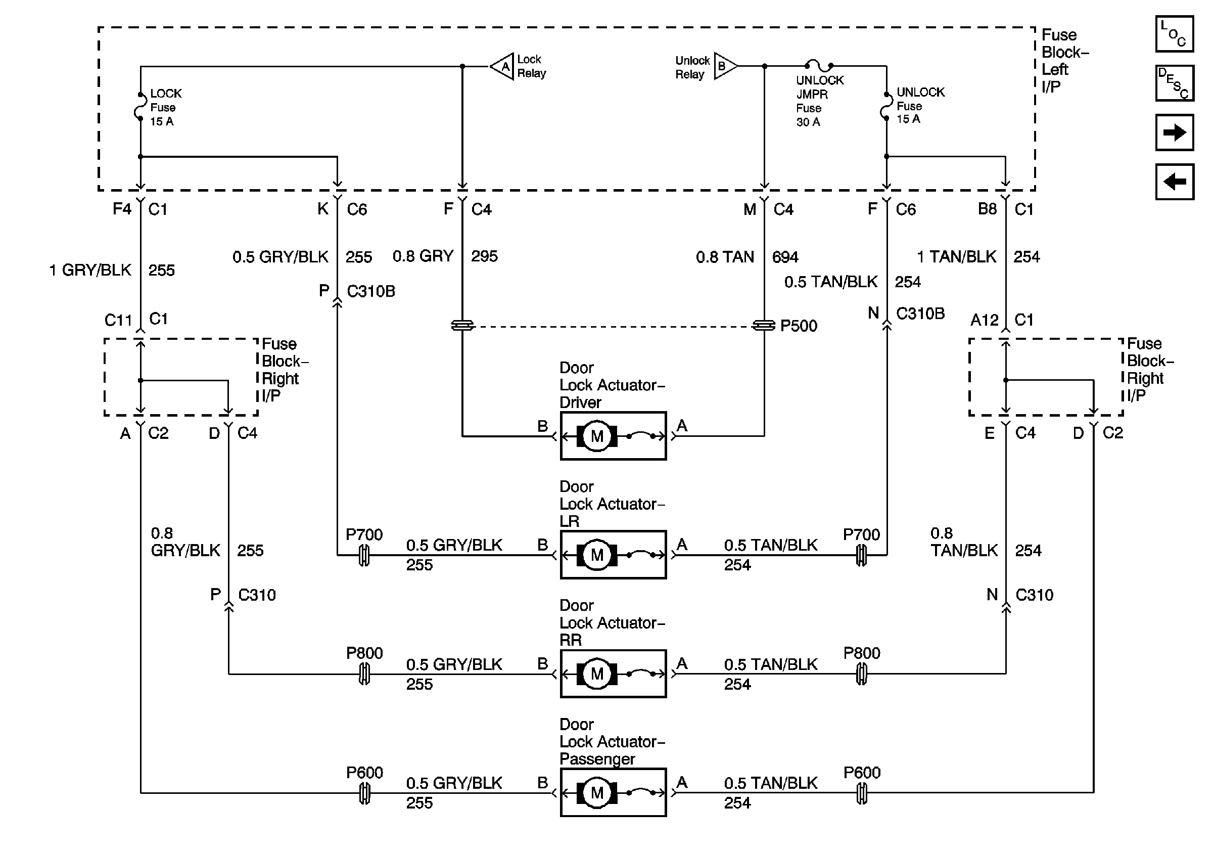
🢒 Actuators - Base Crew Cab
Actuators - Base Crew Cab
Actuators - Base Crew Cab
Master Electrical Component List
Power Door Locks Description and Operation
Power, Ground, and Switches - Uplevel Crew Cab
Power, Ground, and Switches - Base Crew Cab
Power, Ground, and Switches - Base Crew Cab
Power, Ground, and Switches - Base Crew Cab