GM Service Manual Online
For 1990-2009 cars only
Makes
🢒
Chevrolet
🢒
2002
🢒
Chevy C Silverado - 2WD
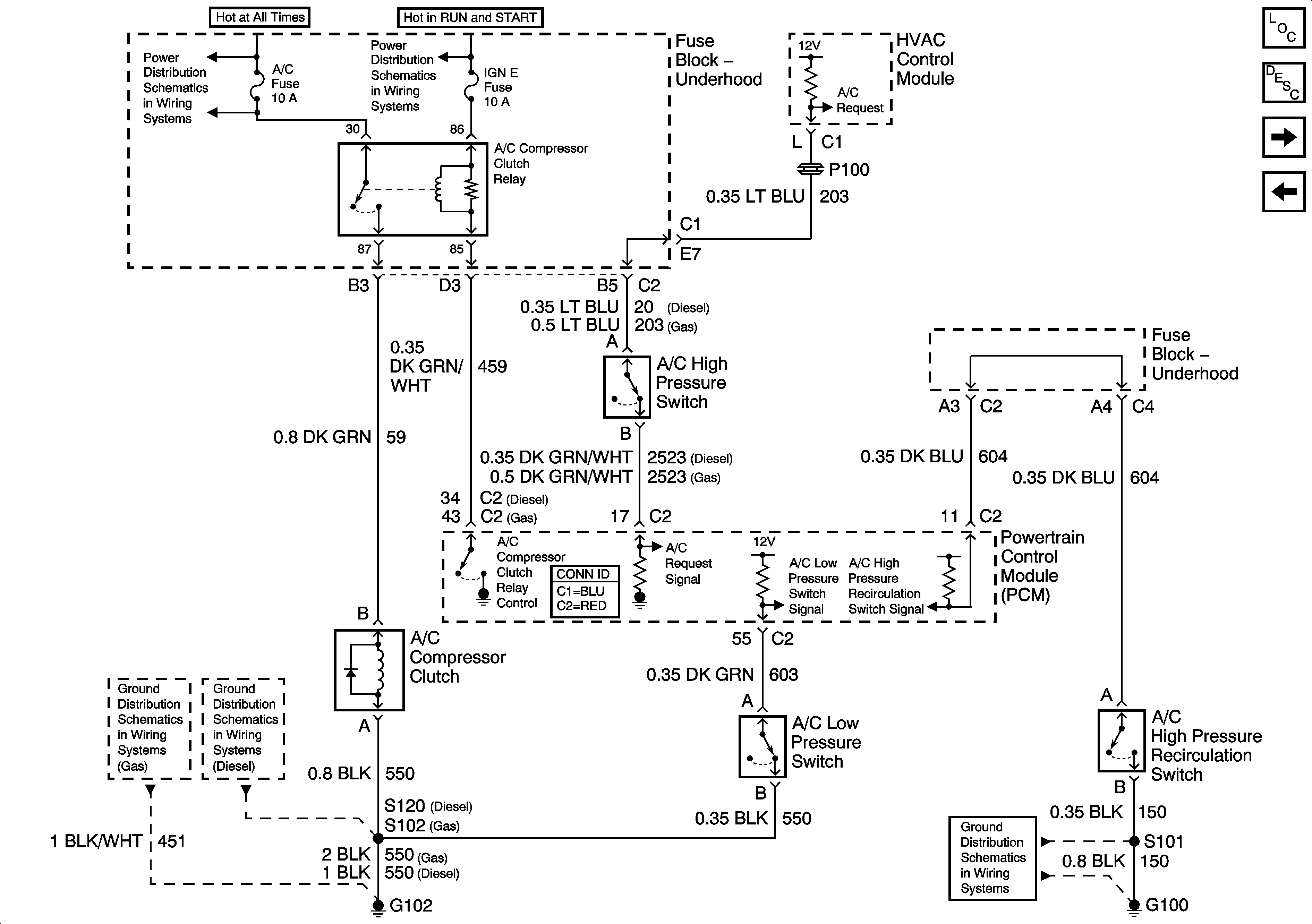
🢒 A/C Compressor Controls
A/C Compressor Controls
A/C Compressor Controls
Ignition, Run, and Start Bus Bar
B+ Bus Bar
G104 - Gas
G106 - Diesel
Master Electrical Component List
Air Temperature Description and Operation
Air Delivery Controls - Recirculation Actuator (Base)
Blower Controls (w/Heat and A/C)
G100 and G110