GM Service Manual Online
For 1990-2009 cars only
Makes
🢒
Chevrolet
🢒
2002
🢒
Chevy C Silverado - 2WD
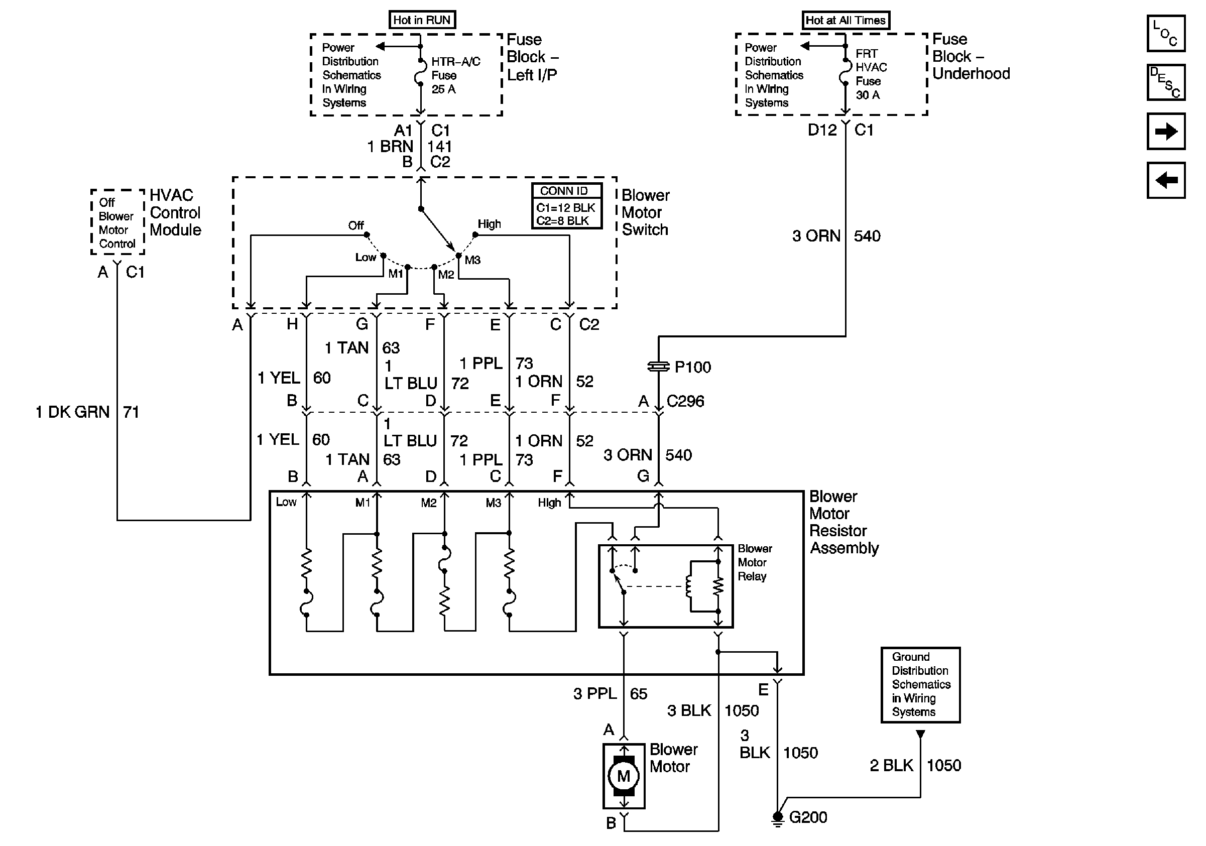
🢒 Blower Controls (w/Heat and A/C)
Blower Controls (w/Heat and A/C)
Blower Controls-w/Heat and A/C
Air Delivery Controls - Recirculation Actuator (Base)
Ignition, Run, Accessory, and RAP Bus Bars - RAP#1 and RAP#2 Fuses
AIR, RTD, RADIO, RDO AMP, ECM B, FRT HVAC, and CIGAR Fuses
G200
Master Electrical Component List
Air Delivery Description and Operation
A/C Compressor Controls
Blower Controls (w/o A/C)