GM Service Manual Online
For 1990-2009 cars only
Makes
🢒
Chevrolet
🢒
2002
🢒
Chevy C Silverado - 2WD
🢒 Air Delivery Controls - Mode and Air Temperature Actuators (Uplevel)
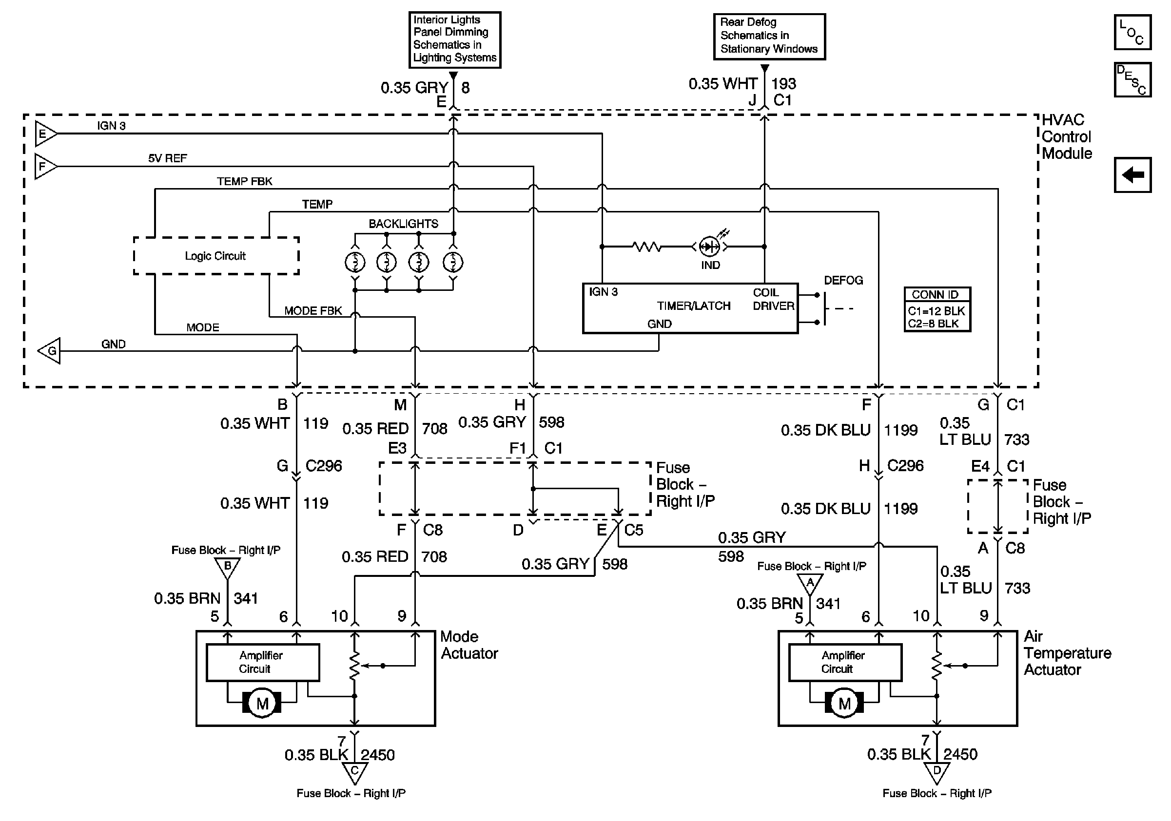
Air Delivery Controls - Mode and Air Temperature Actuators (Uplevel)
Air Delivery Controls - Mode and Air Temperature Actuators-Uplevel
Master Electrical Component List
Air Delivery Description and Operation
Air Delivery Controls - Recirculation Actuator (Uplevel)
Rear Window Defogger Control
HVAC Control Module/Blower Control Switch, Traction Control Switch, and Transfer Case Shift Control Switch
Air Delivery Controls - Recirculation Actuator (Uplevel)
Air Delivery Controls - Recirculation Actuator (Uplevel)
Air Delivery Controls - Recirculation Actuator (Uplevel)
Air Delivery Controls - Recirculation Actuator (Uplevel)
Air Delivery Controls - Recirculation Actuator (Uplevel)
Air Delivery Controls - Recirculation Actuator (Uplevel)
Air Delivery Controls - Recirculation Actuator (Uplevel)