GM Service Manual Online
For 1990-2009 cars only
Makes
🢒
Chevrolet
🢒
2002
🢒
Chevy C Silverado - 2WD
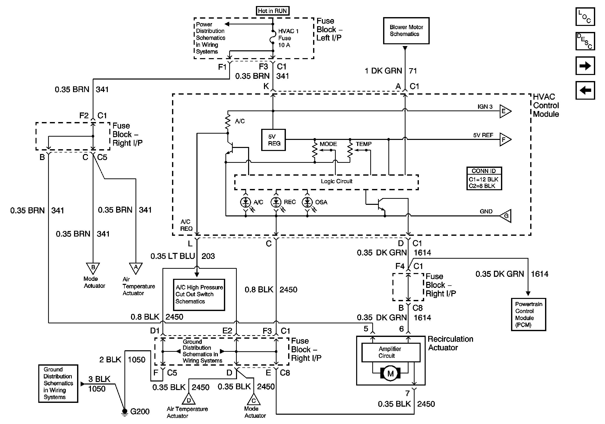
🢒 Air Delivery Controls - Recirculation Actuator (Uplevel)
Air Delivery Controls - Recirculation Actuator (Uplevel)
Air Delivery Controls - Recirculation Actuator-Uplevel
Master Electrical Component List
Air Delivery Description and Operation
Air Delivery Controls - Mode and Air Temperature Actuators (Uplevel)
Air Delivery Controls - Mode and Air Temperature Actuators (Base)
Blower Controls (w/Heat and A/C)
Ignition, Run, Accessory, and RAP Bus Bars - RAP#1 and RAP#2 Fuses
Air Delivery Controls - Mode and Air Temperature Actuators (Uplevel)
Air Delivery Controls - Mode and Air Temperature Actuators (Uplevel)
Air Delivery Controls - Mode and Air Temperature Actuators (Uplevel)
Air Delivery Controls - Mode and Air Temperature Actuators (Uplevel)
Air Delivery Controls - Mode and Air Temperature Actuators (Uplevel)
A/C Compressor Controls
G200
Air Delivery Controls - Mode and Air Temperature Actuators (Uplevel)
Air Delivery Controls - Mode and Air Temperature Actuators (Uplevel)
Controlled/Monitored Subsystem References