GM Service Manual Online
For 1990-2009 cars only
Makes
🢒
Chevrolet
🢒
2002
🢒
Chevy C Silverado - 2WD
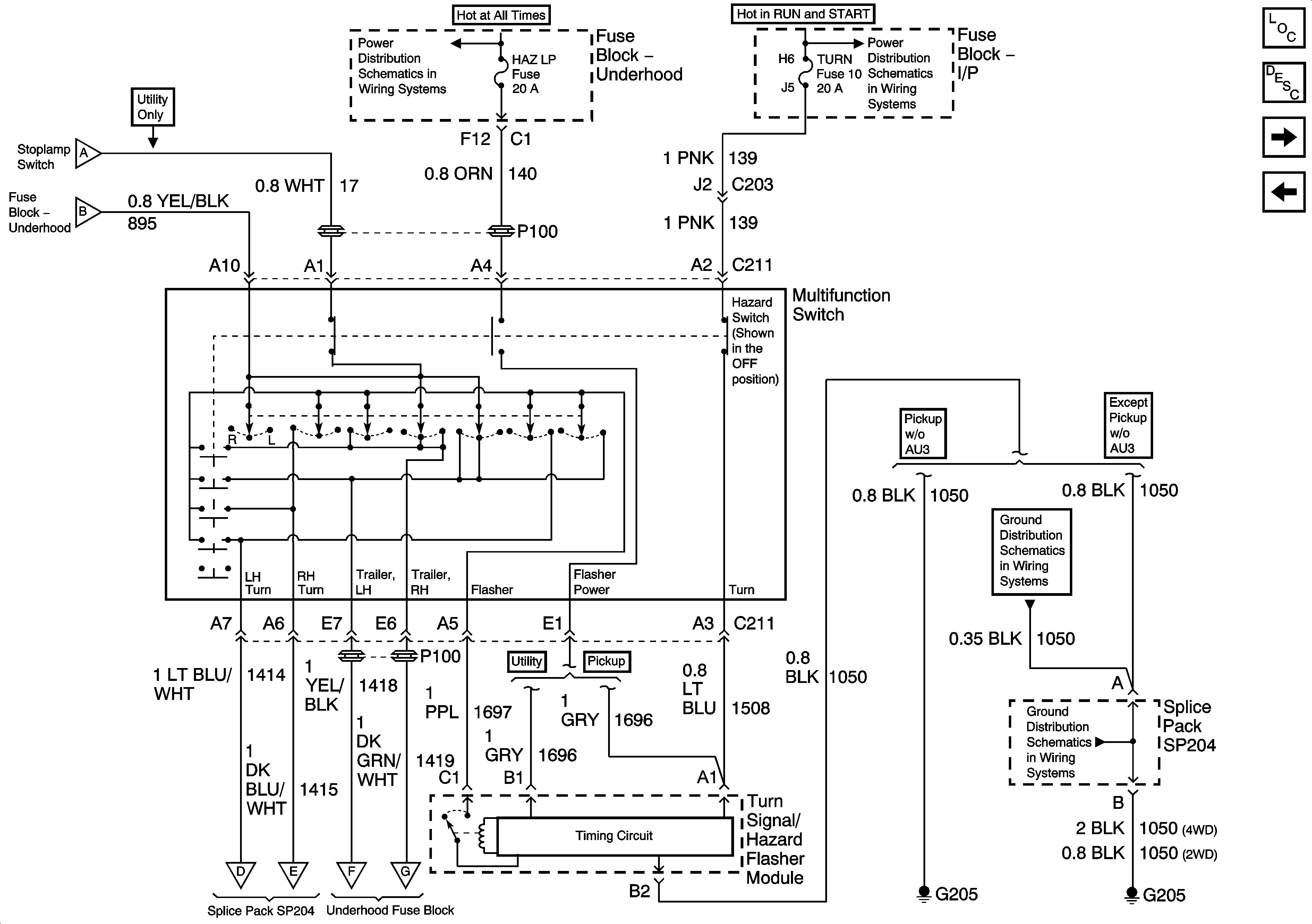
🢒 Multifunction Switch and Turn Signal Lamp Flasher
Multifunction Switch and Turn Signal Lamp Flasher
Multifunction Switch and Turn Signal Lamp Flasher
Master Electrical Component List
Exterior Lighting Systems Description and Operation
Instrument Cluster Turn Signal Indicators
Center High Mounted Stop Lamp
Center High Mounted Stop Lamp
Center High Mounted Stop Lamp
B+ Bus Bar
Ign RUN and START Bus Bar
G205 (Utility and Crew Cab)
G205 (Utility and Crew Cab)
Instrument Cluster Turn Signal Indicators
Turn Signal Fuses