GM Service Manual Online
For 1990-2009 cars only
Makes
🢒
Chevrolet
🢒
2002
🢒
Chevy C Silverado - 2WD
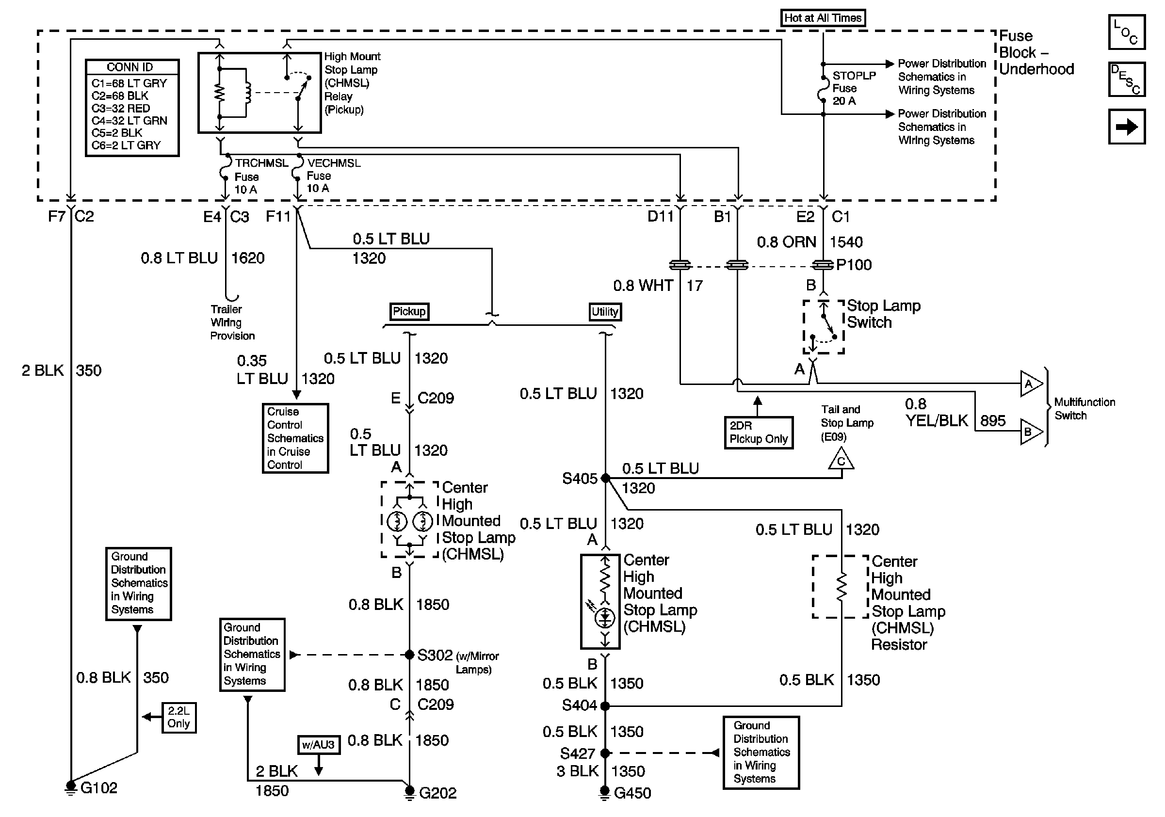
🢒 Center High Mounted Stop Lamp
Center High Mounted Stop Lamp
Center High Mounted Stop Lamp
Master Electrical Component List
Exterior Lighting Systems Description and Operation
Multifunction Switch and Turn Signal Lamp Flasher
B+ Bus Bar
Stop, Turn and Hazard Bus Bar
Multifunction Switch and Turn Signal Lamp Flasher
Tail, Stop and License Lamps - Export
CRUISE Fuse, Multifunction Switch and Cruise Control Module
G102 (Except Export)
G202 (Pickup Except Crew Cab)
G420,G450 and S427 (Utility and Crew Cab)