GM Service Manual Online
For 1990-2009 cars only
Makes
🢒
Chevrolet
🢒
2002
🢒
Chevy C Silverado - 2WD
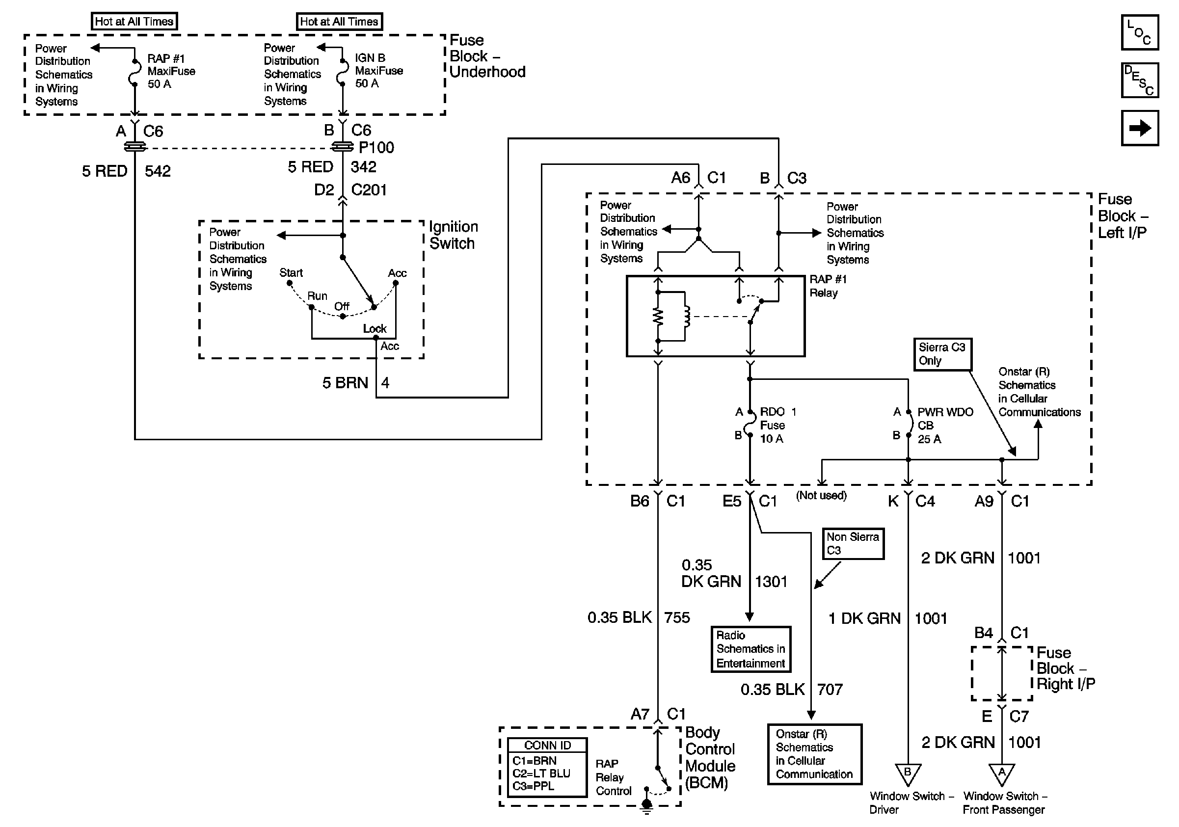
🢒 RAP Relay #1 Control
RAP Relay #1 Control
RAP Relay #1 Control
Master Electrical Component List
Power Windows Description and Operation
Window Switch Controls
Ignition, Run, Accessory, and RAP Bus Bars - RAP#1 and RAP#2 Fuses
Ignition, Run, Accessory, and RAP Bus Bars - RAP#1 and RAP#2 Fuses
Ignition, Run, Accessory, and RAP Bus Bars - RAP#1 and RAP#2 Fuses
Ignition, Run, Accessory, and RAP Bus Bars - RAP#1 and RAP#2 Fuses
Ignition, Run, Accessory, and RAP Bus Bars - RAP#1 and RAP#2 Fuses
Power, Ground and DLC
Base
Power, Ground and DLC
Window Switch Controls
Window Switch Controls