GM Service Manual Online
For 1990-2009 cars only
Makes
🢒
Chevrolet
🢒
2002
🢒
Chevy C Silverado - 2WD
🢒 Manual Transmission - NV1500
Manual Transmission - NV1500
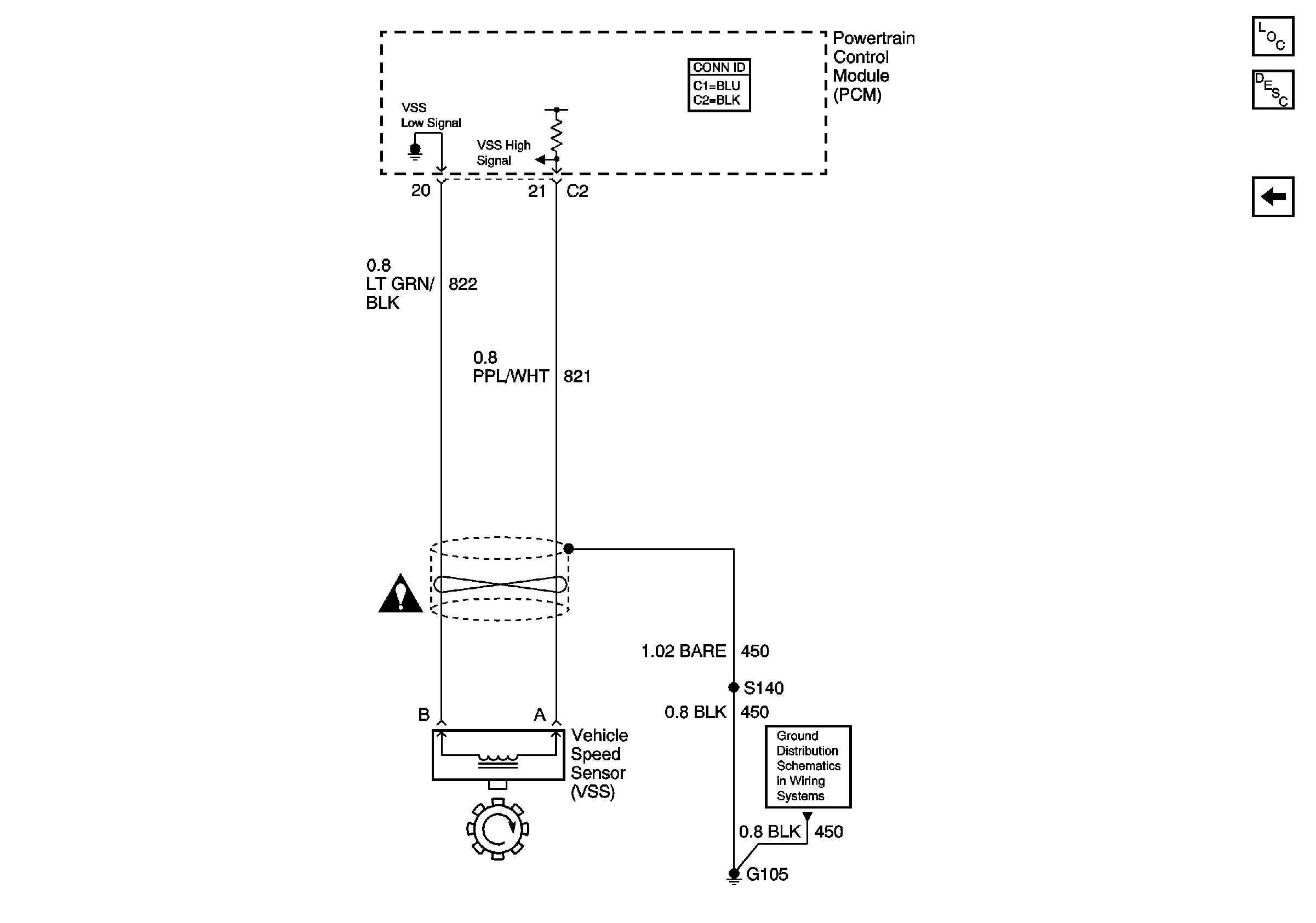
Vehicle Speed Sensor (VSS)
Master Electrical Component List
Transmission System Description and Operation
Manual Transmission - NV1500
G103 and G105 (2.2 L)
Manual Transmission Schematics
Manual Transmission Schematics
Manual Transmission Schematics