GM Service Manual Online
For 1990-2009 cars only
Makes
🢒
Chevrolet
🢒
2002
🢒
Chevy C Silverado - 2WD
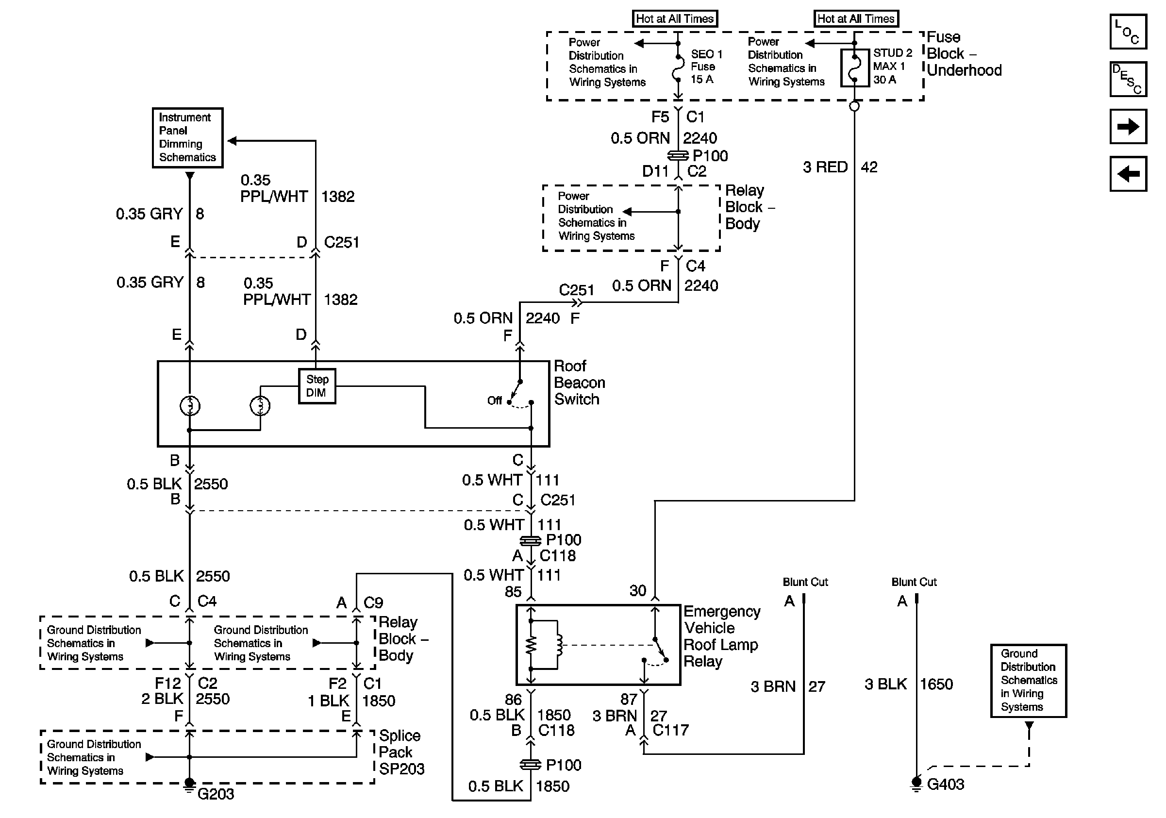
🢒 Emergency Lights w/5Y0
Emergency Lights w/5Y0
Emergency Lights w/5X7
Master Electrical Component List
Exterior Lighting Systems Description and Operation
Camper Wiring
Emergency Lights w/5X7
SEO 1, SEO 2, RR HVAC, EXP LPS, ATC, and RR WPR
ABS, HAZ LP, STUD 1, HTD MIR, RR DEFOG, STUD 2, CTSY LP, and PARK LP Fuses
SEO 1, SEO 2, RR HVAC, EXP LPS, ATC, and RR WPR
Selectable Ride/Roof Beacon Switch
G203 - 1 of 3
G203 - 1 of 3
G203 - 2 of 3 - Base Except Crew Cab
G401