GM Service Manual Online
For 1990-2009 cars only
Makes
🢒
Chevrolet
🢒
2003
🢒
Chevy C Silverado - 2WD
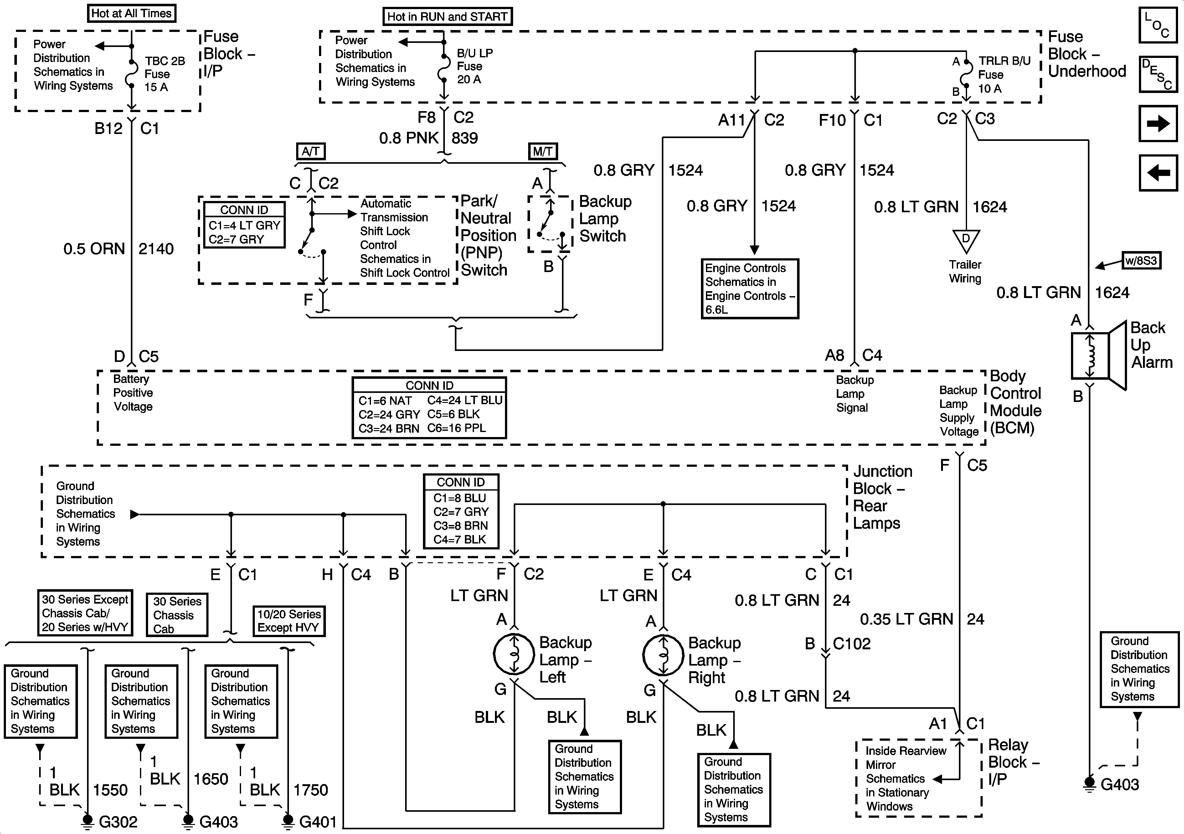
🢒 Backup Lamps - Chevrolet
Backup Lamps - Chevrolet
Backup Lamps - Chevrolet
Master Electrical Component List
Exterior Lighting Systems Description and Operation
Trailer Wiring/Connector
Backup Lamps - GMC
Ignition, Run, Start, Accy Bus Bar
Controlled/Monitored Subsystem References
Trailer Wiring/Connector
G401, G402
G302
G403
G401, G402
G401, G402
G401, G402
Power, Outside Air Temp, and Light Sensors
G403