GM Service Manual Online
For 1990-2009 cars only
Makes
🢒
Chevrolet
🢒
2003
🢒
Chevy C Silverado - 2WD
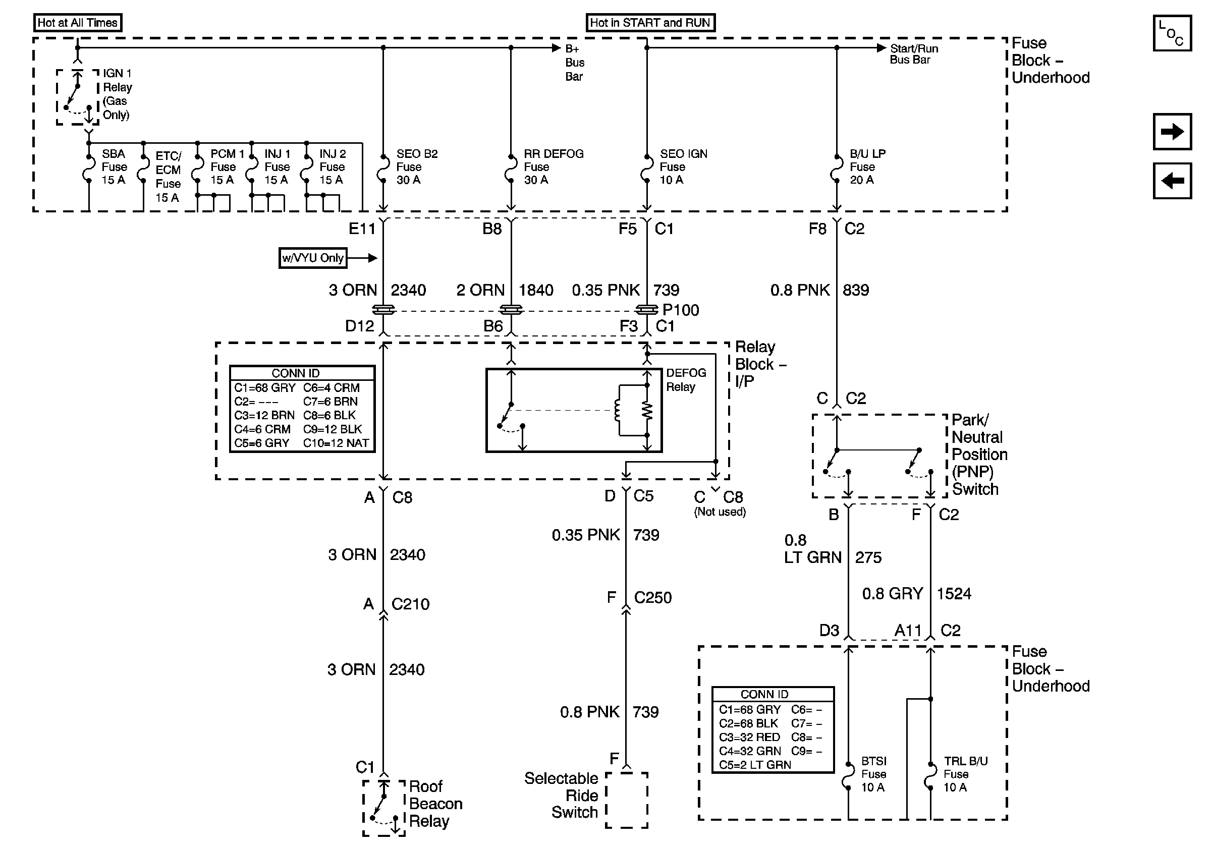
🢒 IGN 1 Relay Bus, SEO 2, RR DEFOG, SEO IGN, B/U LP
IGN 1 Relay Bus, SEO 2, RR DEFOG, SEO IGN, B/U LP
IGN 1 Relay Bus, SEO B2, RR DEFOG, SEO IGN, B/U LP
Master Electrical Component List
FLASHER, LOCKS
LBEC 1, LBEC 2, MBEC 1
B+ Bus Bar (Gas) - 1 of 3
Ignition, Run, Start, Accy Bus Bar