GM Service Manual Online
For 1990-2009 cars only
Makes
🢒
Chevrolet
🢒
2003
🢒
Chevy C Silverado - 2WD
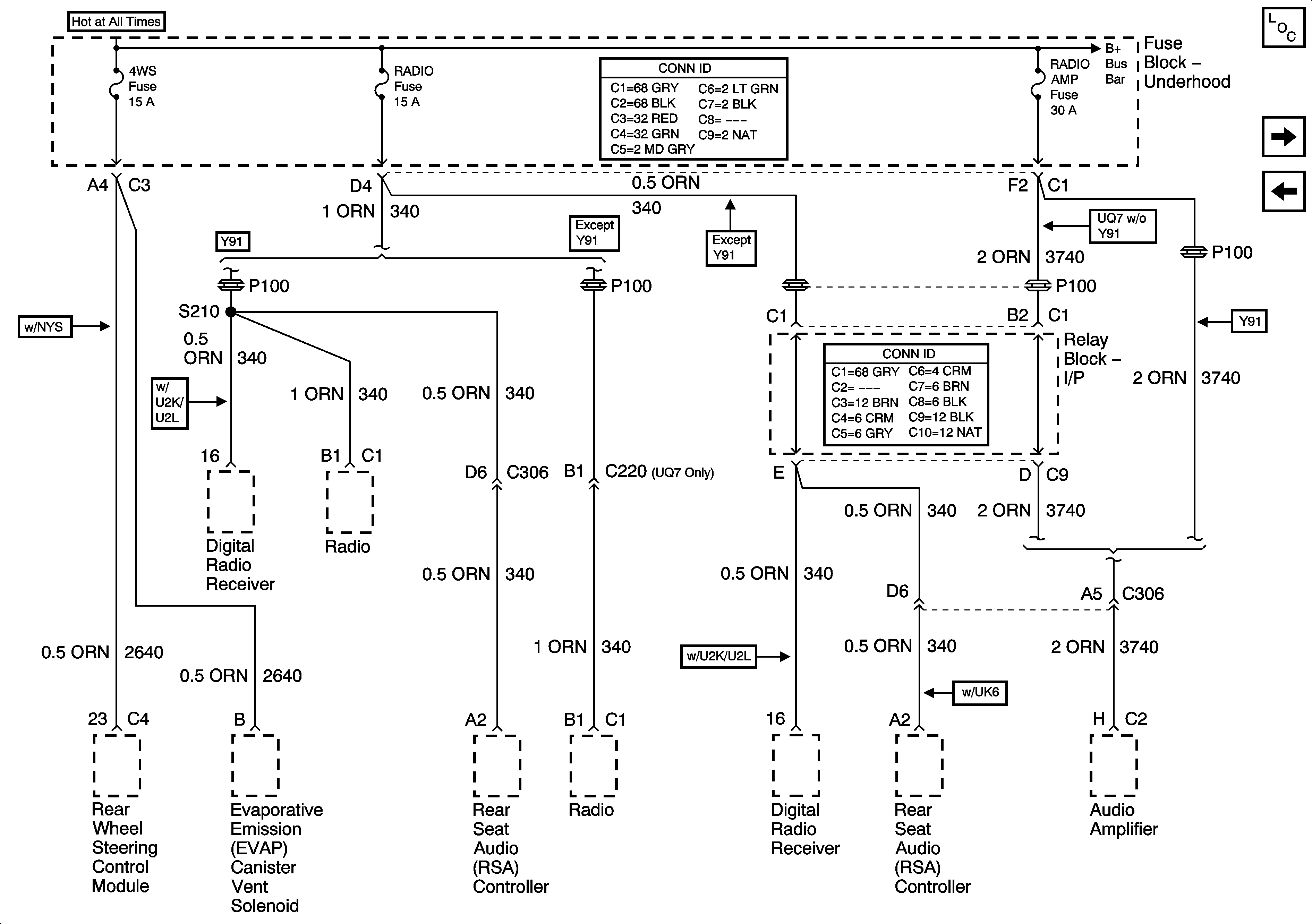
🢒 QS4, RADIO, RDO AMP
QS4, RADIO, RDO AMP
4WS, RADIO, RADIO AMP
Master Electrical Component List
INFO, CIGAR
ABS, VSES, STUD #1, STUD #2, TBC
ECM, ECMRPV, EDU, EDU Relay - Diesel Only