GM Service Manual Online
For 1990-2009 cars only
Makes
🢒
Chevrolet
🢒
2003
🢒
Chevy C Silverado - 2WD
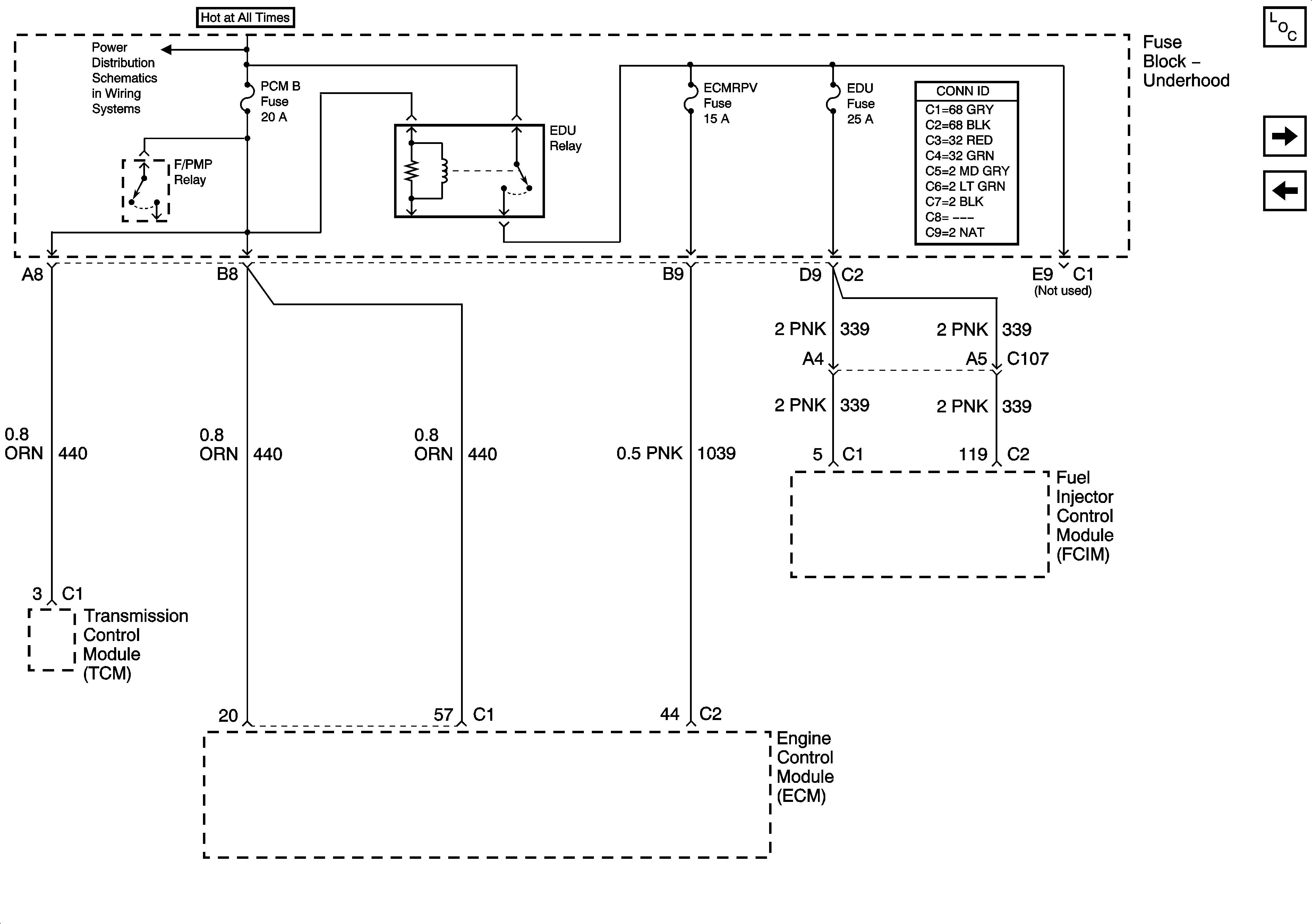
🢒 ECM, ECMRPV, EDU, EDU Relay - Diesel Only
ECM, ECMRPV, EDU, EDU Relay - Diesel Only
PCM B, ECMRPV, EDU, EDU Relay - Diesel Only
Master Electrical Component List
HVAC B, RR HVAC, BLOWER, RR DEFOG, STOP LP, TREC
RTD/ECAS, RR WPR, EAP, SUNROOF, IPC/DIC, SEO 1
B+ Bus Bar (Gas) - 1 of 3