GM Service Manual Online
For 1990-2009 cars only
Makes
🢒
Chevrolet
🢒
2003
🢒
Chevy C Silverado - 2WD
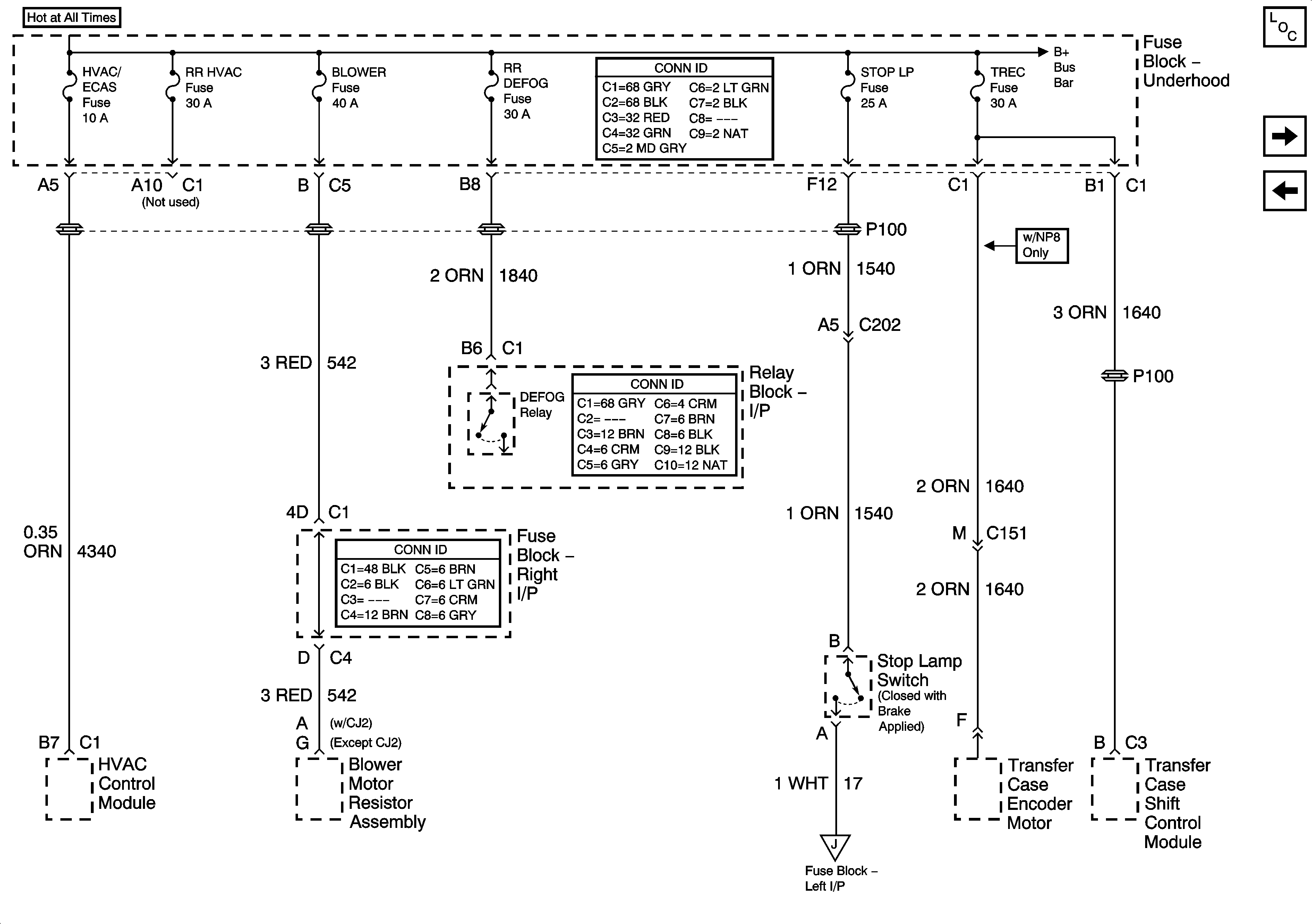
🢒 HVAC B, RR HVAC, BLOWER, RR DEFOG, STOP LP, TREC
HVAC B, RR HVAC, BLOWER, RR DEFOG, STOP LP, TREC
HVAC/ECAS, RR HVAC, BLOWER, RR DEFOG, STOP LP, TREC
Master Electrical Component List
LH HID, RH HID, PCM B, CRANK, HORN, SIR
ECM, ECMRPV, EDU, EDU Relay - Diesel Only
B+ Bus Bar (Gas) - 1 of 3
CHMSL, STOP, LT TRLR, RT TRLR