GM Service Manual Online
For 1990-2009 cars only
Makes
🢒
Chevrolet
🢒
2003
🢒
Chevy C Silverado - 2WD
🢒 IGN E
IGN E
IGN E
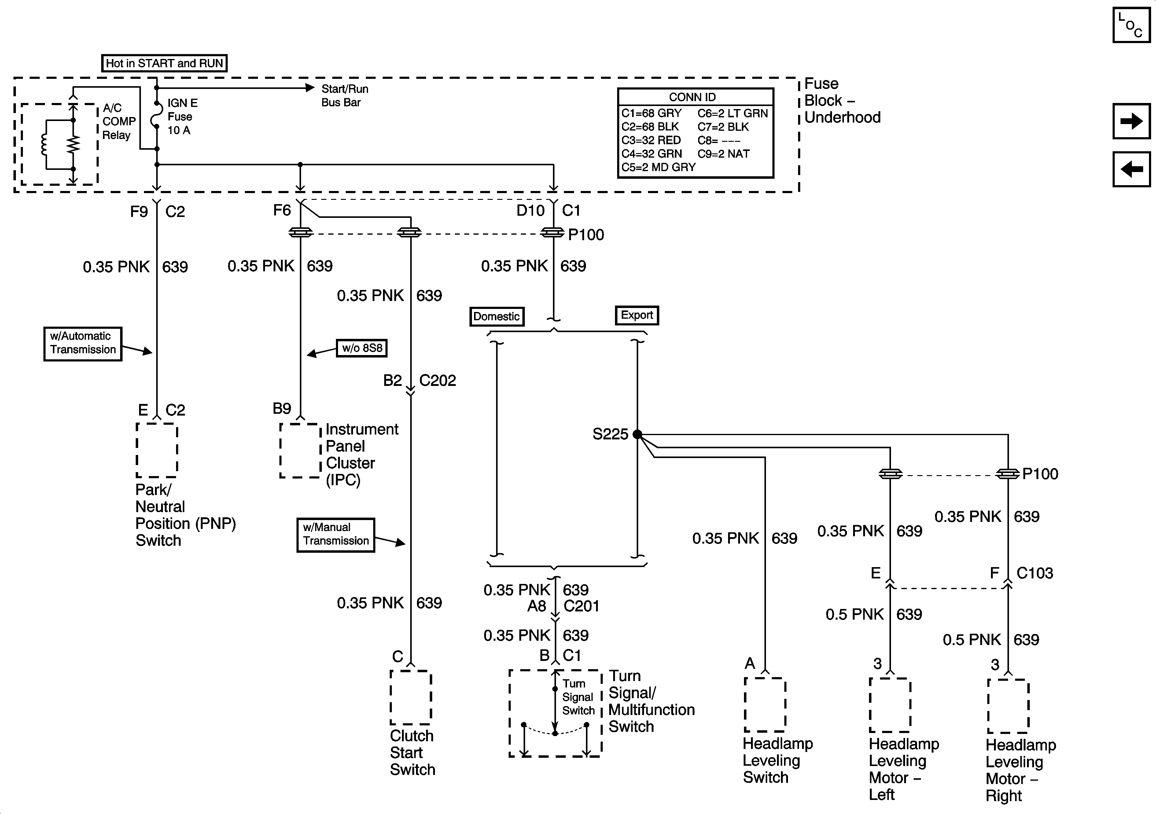
Master Electrical Component List
SBA, ETC, PCM 1, BTSI, TRL B/U
O2A, O2B, TBC IGN 1, SEO IGN
Ignition, Run, Start, Accy Bus Bar