GM Service Manual Online
For 1990-2009 cars only
Makes
🢒
Chevrolet
🢒
2003
🢒
Chevy C Silverado - 2WD
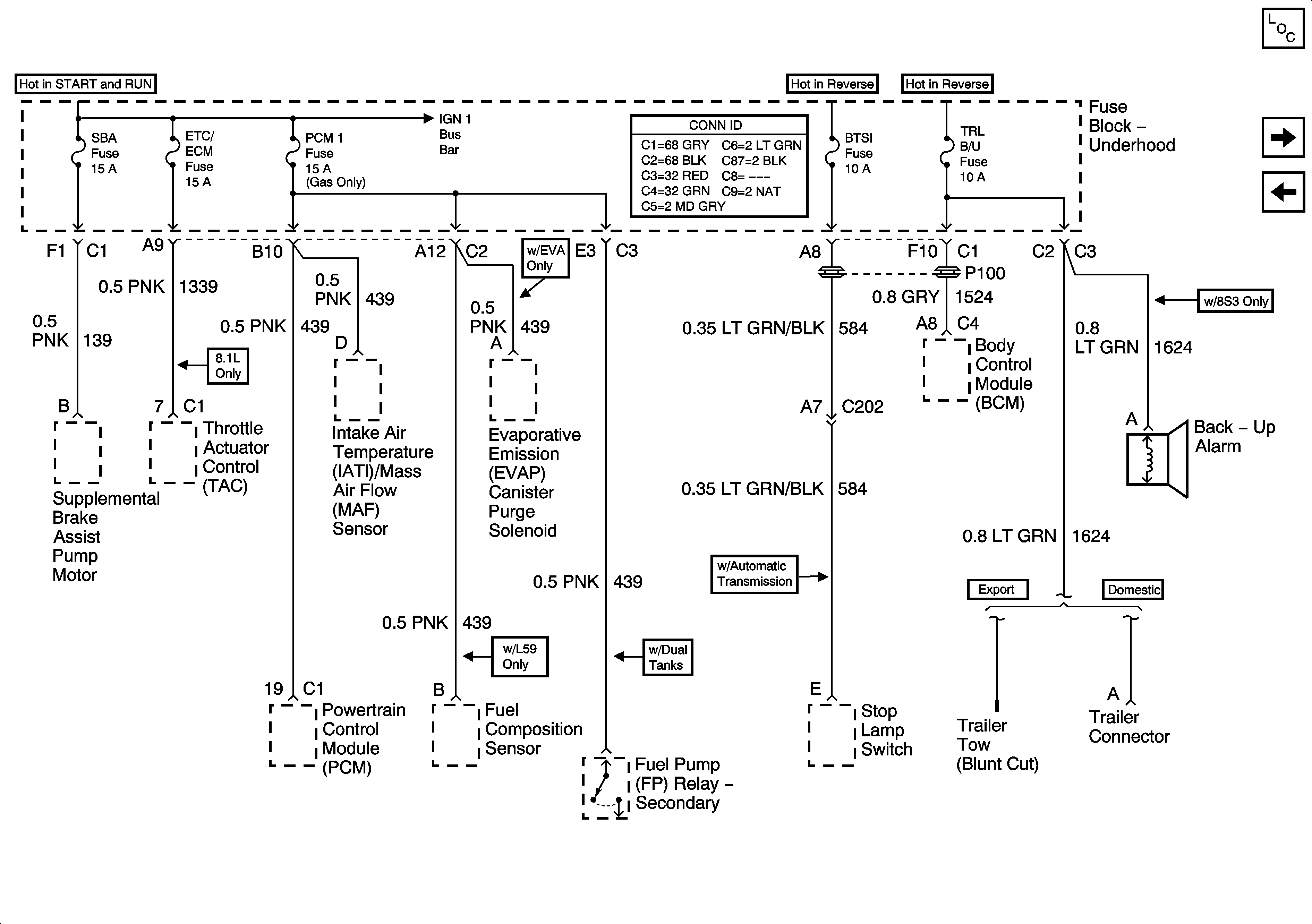
🢒 SBA, ETC, PCM 1, BTSI, TRL B/U
SBA, ETC, PCM 1, BTSI, TRL B/U
SBA, ETC/ECM, PCM 1, BTSI, TRL B/U
Master Electrical Component List
INJ 1, INJ 2 - Gas Only
IGN E
Ignition, Run, Start, Accy Bus Bar