GM Service Manual Online
For 1990-2009 cars only
Makes
🢒
Chevrolet
🢒
2003
🢒
Chevy C Silverado - 2WD
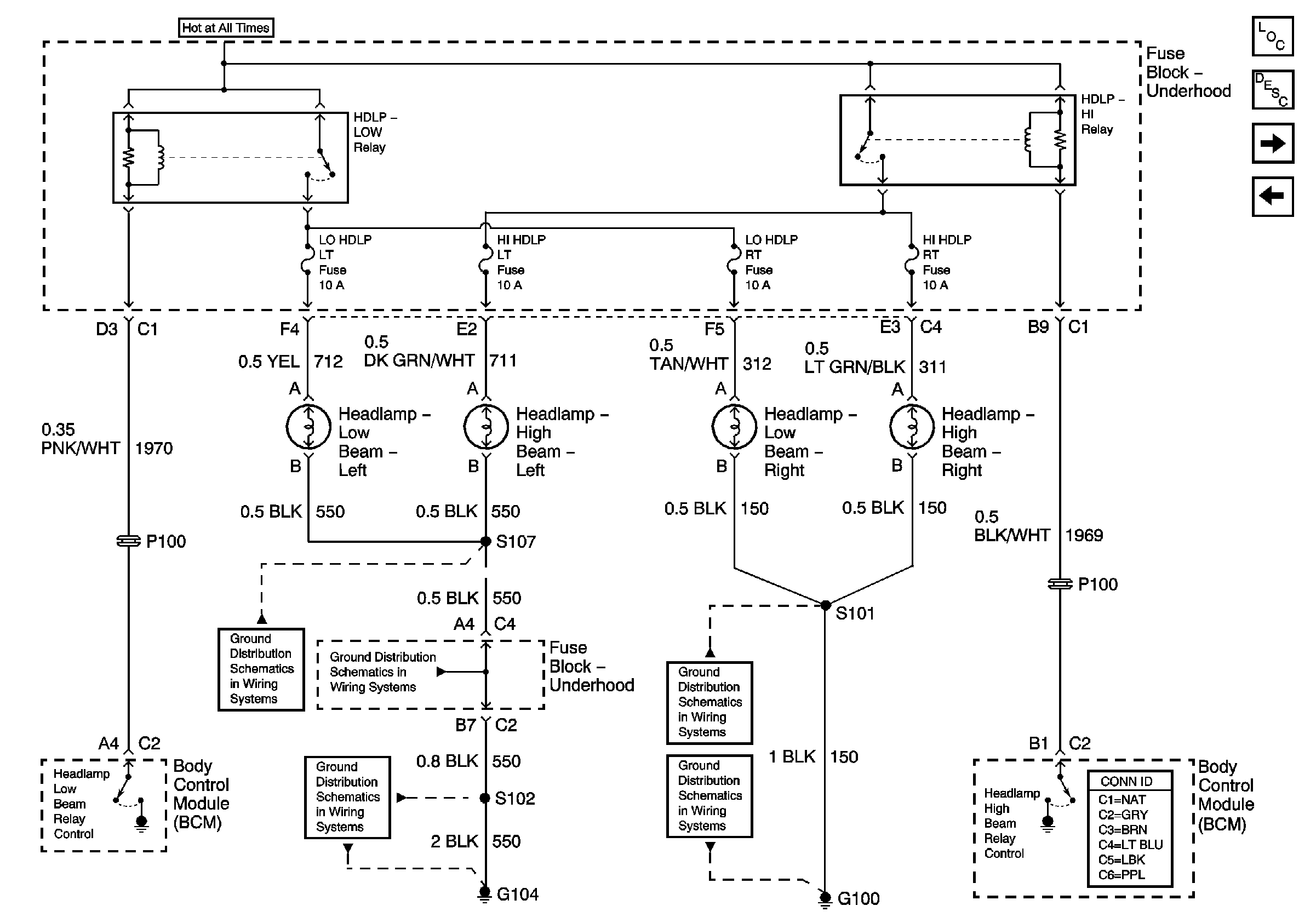
🢒 Headlights
Headlights
Headlights
Master Electrical Component List
Exterior Lighting Systems Description and Operation
Daytime Running Lamps (DRL) - Domestic
Headlights/DRL Control
G104, G106, G107
G104, G106, G107
G104, G106, G107
G100, G101, G105
G100, G101, G105