GM Service Manual Online
For 1990-2009 cars only
Makes
🢒
Chevrolet
🢒
2003
🢒
Chevy C Silverado - 2WD
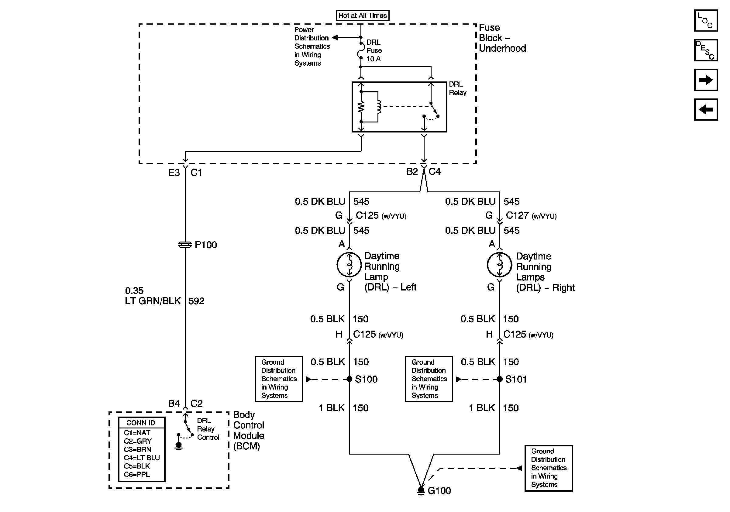
🢒 Daytime Running Lamps (DRL) - Domestic
Daytime Running Lamps (DRL) - Domestic
Daytime Running Lamps (DRL) - Domestic
Master Electrical Component List
Exterior Lighting Systems Description and Operation
Daytime Running Lamps (DRL) - Export
Headlights
B+ Bus Bar (Gas) - 1 of 3
G100, G101, G105
G100, G101, G105
G100, G101, G105