GM Service Manual Online
For 1990-2009 cars only
Makes
🢒
Chevrolet
🢒
2003
🢒
Chevy C Silverado - 2WD
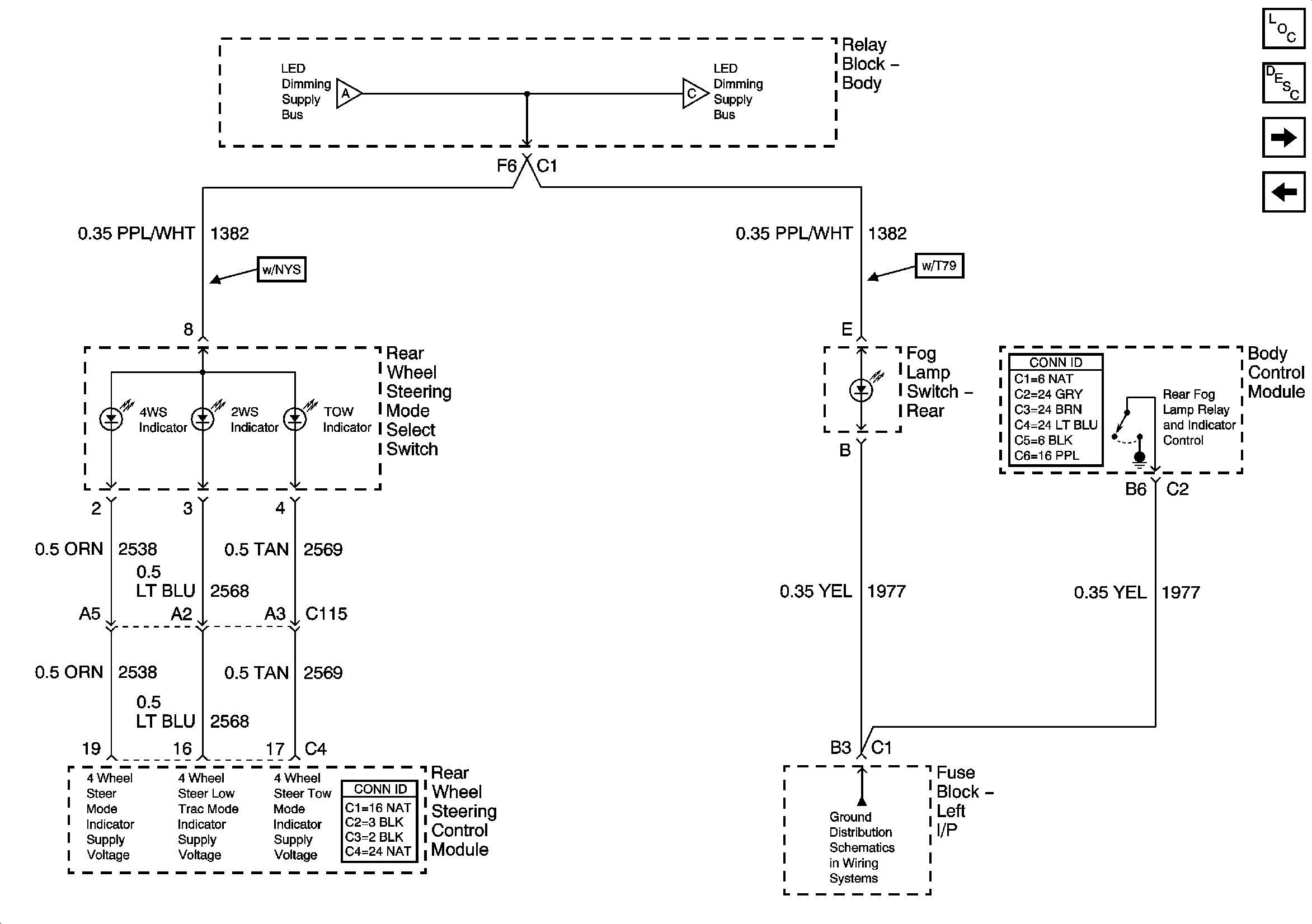
🢒 LED Dimming Supply Voltage - 1 of 3
LED Dimming Supply Voltage - 1 of 3
LED Dimming Supply Voltage - 1 of 3
Master Electrical Component List
Interior Lighting Systems Description and Operation
LED Dimming Supply Voltage - 2 of 3
Interior Lights and LED Dimming Control
Interior Lights and LED Dimming Control
LED Dimming Supply Voltage - 2 of 3
Rear - Export Only