GM Service Manual Online
For 1990-2009 cars only
Makes
🢒
Chevrolet
🢒
2003
🢒
Chevy C Silverado - 2WD
🢒 Rear - Export Only
Rear - Export Only
Rear - Export Only
Master Electrical Component List
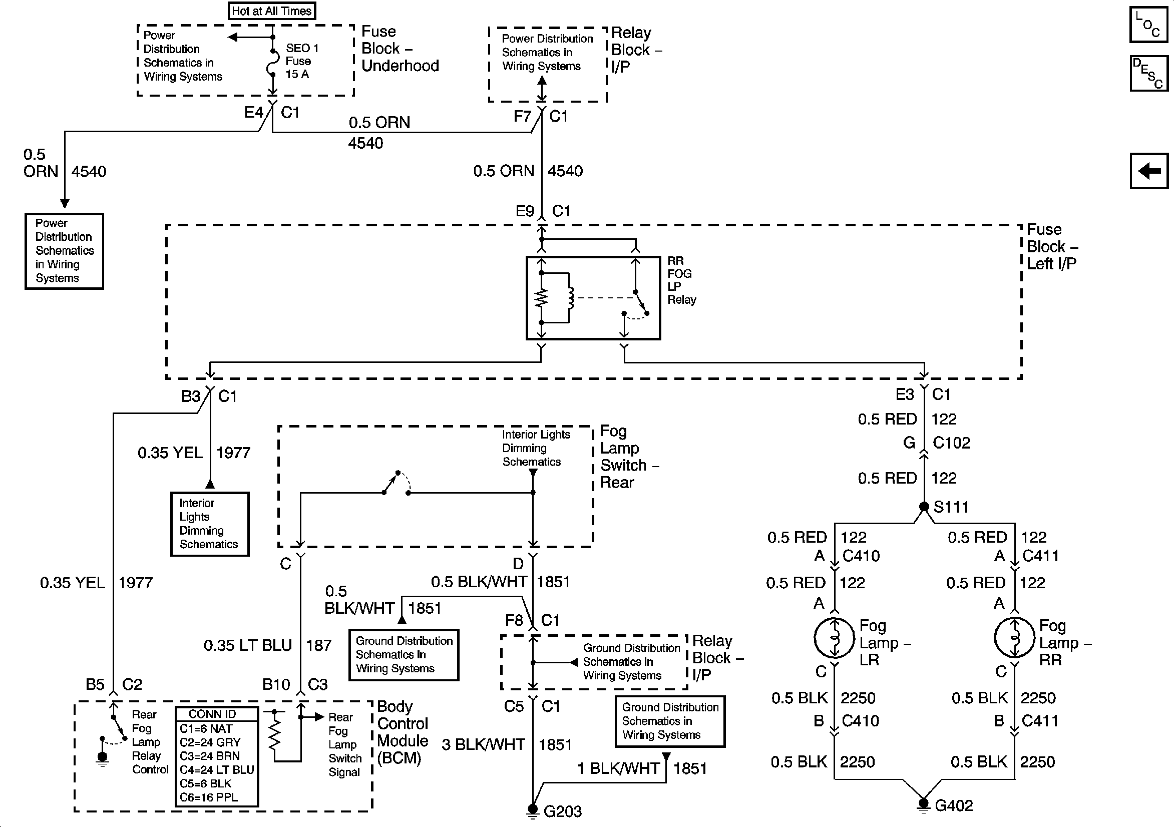
Exterior Lighting Systems Description and Operation
Front
B+ Bus Bar (Gas) - 1 of 3
RTD/ECAS, RR WPR, EAP, SUNROOF, IPC/DIC, SEO 1
RTD/ECAS, RR WPR, EAP, SUNROOF, IPC/DIC, SEO 1
LED Dimming Supply Voltage - 1 of 3
I/P Dimming Supply Voltage - 2 of 5
G203-2 of 3
G203-1 of 3
G203-1 of 3