GM Service Manual Online
For 1990-2009 cars only
Makes
🢒
Chevrolet
🢒
2003
🢒
Chevy C Silverado - 2WD
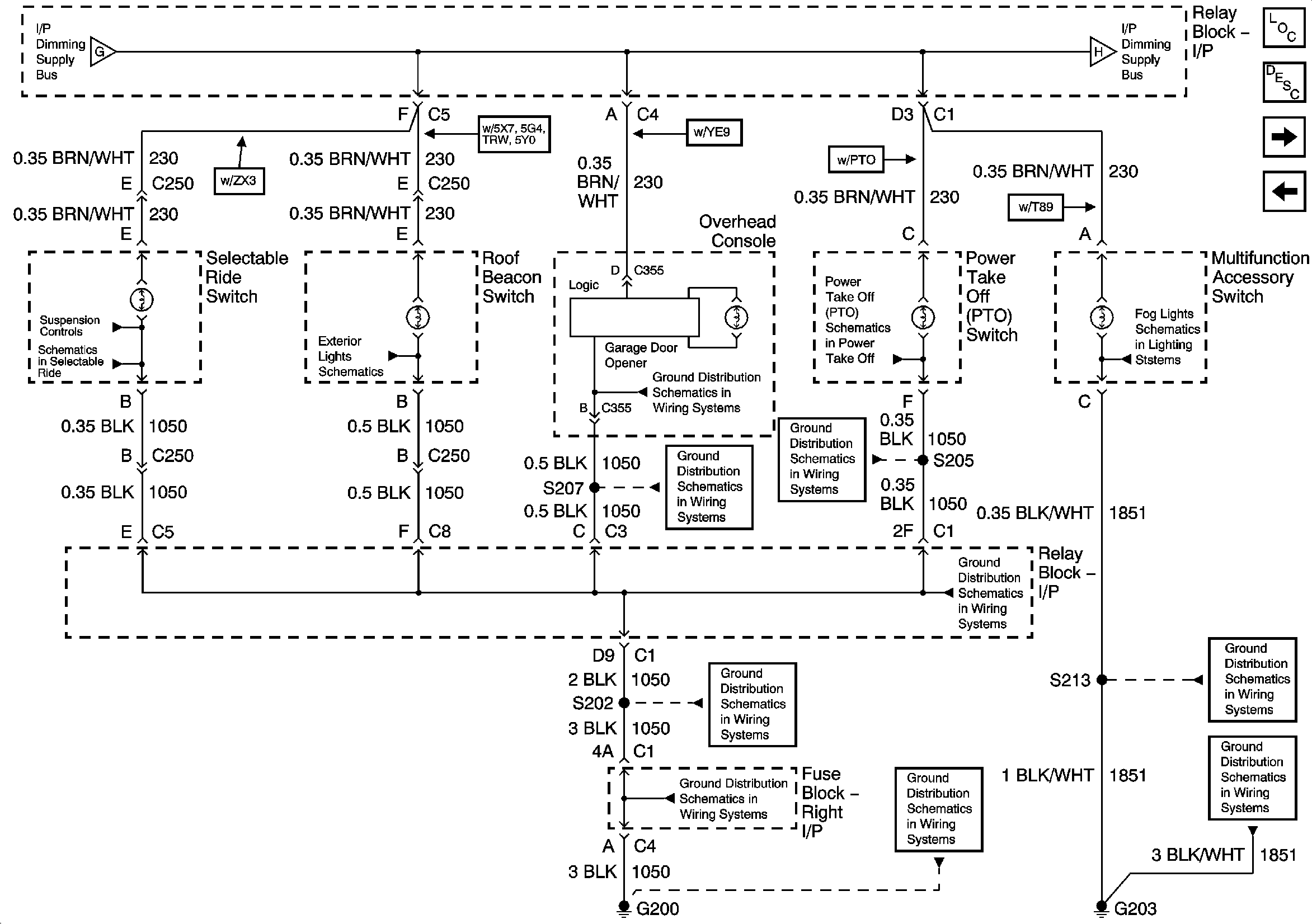
🢒 I/P Dimming Supply Voltage - 4 of 5
I/P Dimming Supply Voltage - 4 of 5
I/P Dimming Supply Voltage - 4 of 5
Master Electrical Component List
Interior Lighting Systems Description and Operation
I/P Dimming Supply Voltage - 5 of 5
I/P Dimming Supply Voltage - 3 of 5
I/P Dimming Supply Voltage - 3 of 5
I/P Dimming Supply Voltage - 5 of 5
Roof Beacon
G200-3 of 3
Power Take Off (PTO)
Front
G200-3 of 3
G200-3 of 3
G200-3 of 3
G200-1 of 3
G200-1 of 3
G200-1 of 3
G203-1 of 3
G203-1 of 3