GM Service Manual Online
For 1990-2009 cars only
Makes
🢒
Chevrolet
🢒
2003
🢒
Chevy C Silverado - 2WD
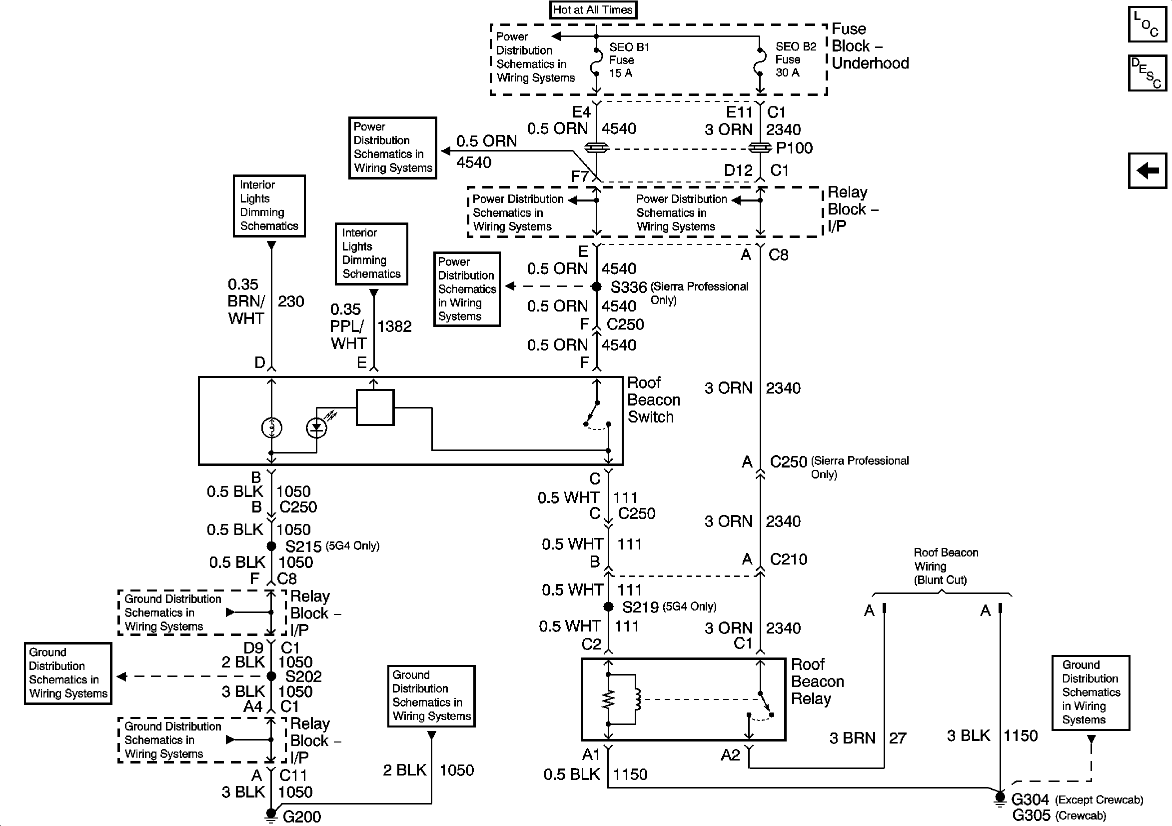
🢒 Roof Beacon
Roof Beacon
Roof Beacon
Master Electrical Component List
Exterior Lighting Systems Description and Operation
Trailer Wiring/Connector
B+ Bus Bar (Gas) - 1 of 3
Switch and Controls (w/AUO)
RTD/ECAS, RR WPR, EAP, SUNROOF, IPC/DIC, SEO 1
I/P Dimming Supply Voltage - 4 of 5
RTD/ECAS, RR WPR, EAP, SUNROOF, IPC/DIC, SEO 1
RTD/ECAS, RR WPR, EAP, SUNROOF, IPC/DIC, SEO 1
IGN 1 Relay Bus, SEO 2, RR DEFOG, SEO IGN, B/U LP
G200-1 of 3
G200-3 of 3
G200-1 of 3
G200-1 of 3
G304, G305