GM Service Manual Online
For 1990-2009 cars only
Makes
🢒
Chevrolet
🢒
2003
🢒
Chevy C Silverado - 2WD
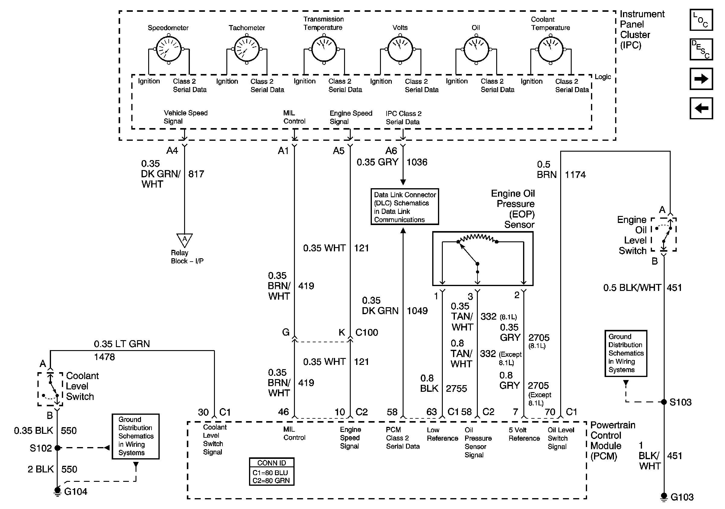
🢒 Gauges, VSS, Engine Oil Signals-Gas Only
Gauges, VSS, Engine Oil Signals-Gas Only
Gages, VSS, Engine Oil Signals-Gas Only
Master Electrical Component List
Instrument Cluster Description and Operation
Vehicle Speed Signal
Power, Ground, Serial Data
Vehicle Speed Signal
G104, G106, G107
SP205 - 2 of 2
G102, G103-Gas