GM Service Manual Online
For 1990-2009 cars only
Makes
🢒
Chevrolet
🢒
2003
🢒
Chevy C Silverado - 2WD
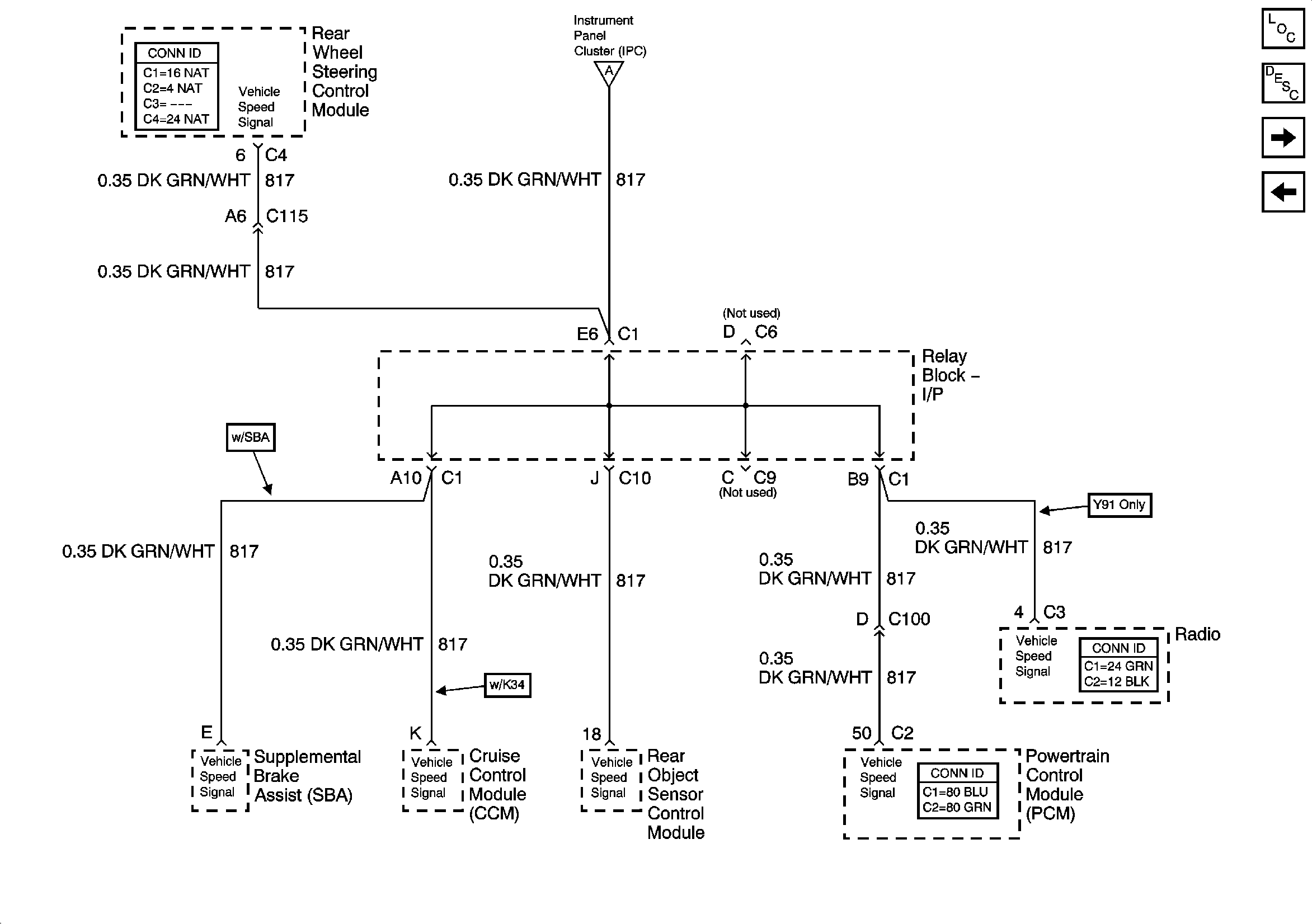
🢒 Vehicle Speed Signal
Vehicle Speed Signal
Vehicle Speed Signal-Gas
Master Electrical Component List
Instrument Cluster Description and Operation
Gauges, VSS, Engine Oil Signals-Diesel Only
Gauges, VSS, Engine Oil Signals-Gas Only
Gauges, VSS, Engine Oil Signals-Gas Only