GM Service Manual Online
For 1990-2009 cars only
Makes
🢒
Chevrolet
🢒
2003
🢒
Chevy C Silverado - 2WD
🢒 Switch Inputs
Switch Inputs
Switch Inputs
Master Electrical Component List
Electronic Component Description
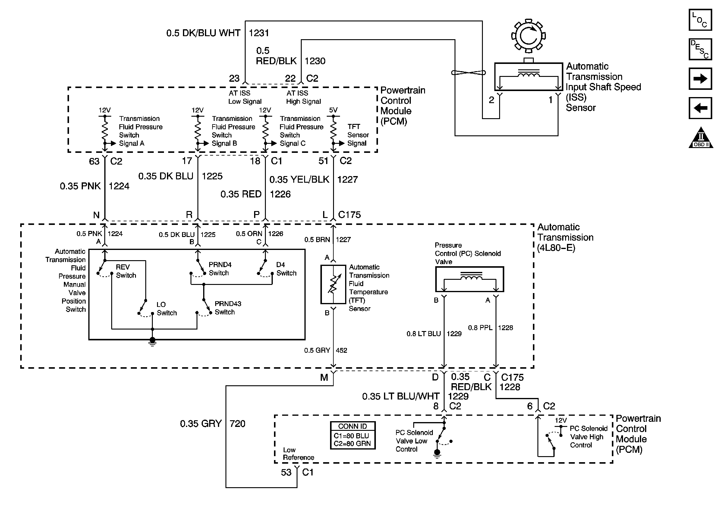
Speed Sensors, Trim B and Shift Solenoids
Valve Controls and Brake Switch
Automatic Transmission Schematic Icons