GM Service Manual Online
For 1990-2009 cars only
Makes
🢒
Chevrolet
🢒
2003
🢒
Chevy C Silverado - 2WD
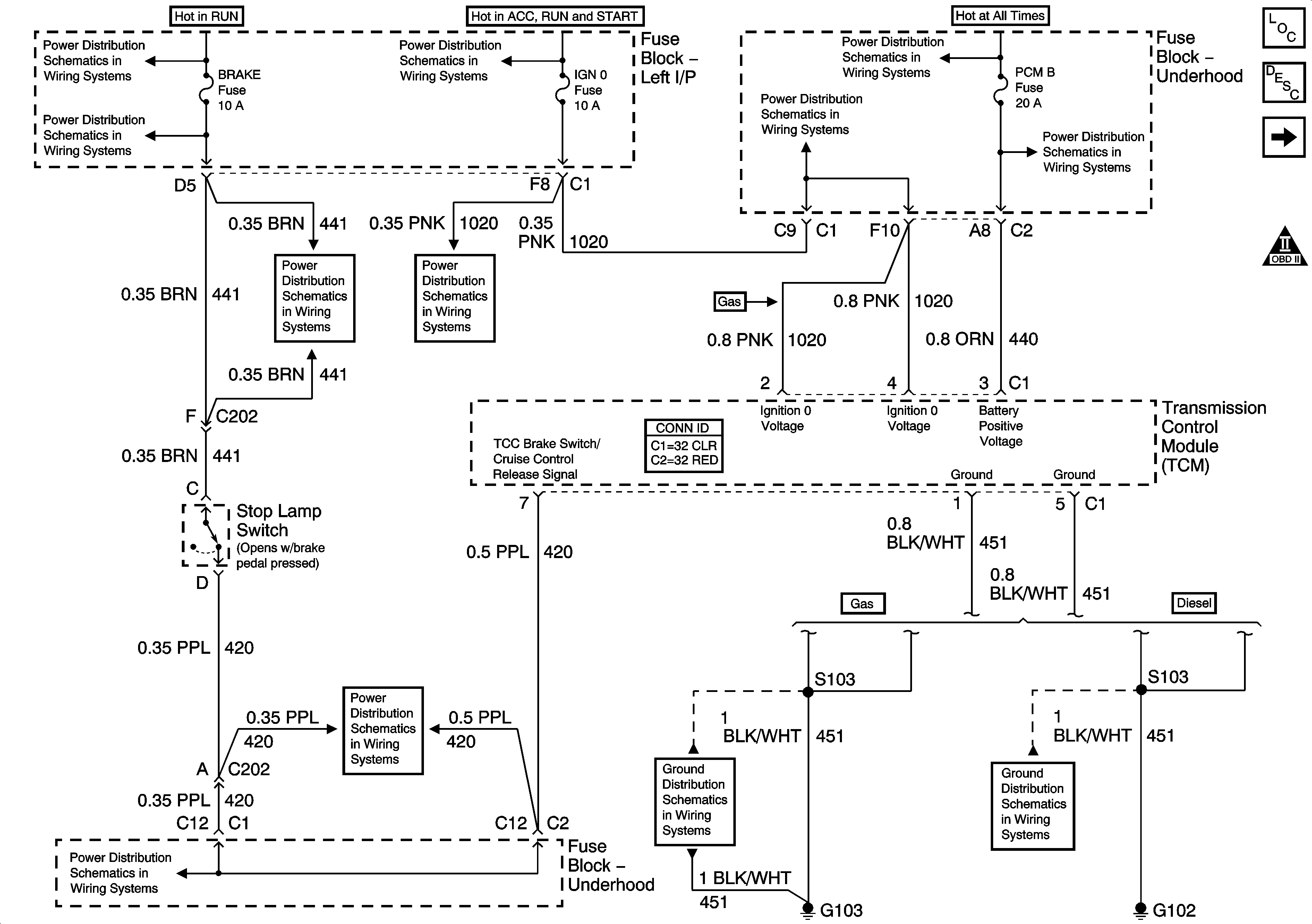
🢒 Power, Ground, and Stop Lamp Switch TCC Signal Circuits
Power, Ground, and Stop Lamp Switch TCC Signal Circuits
Power, Ground, and Stop Lamp Switch TCC Signal Circuit
Master Electrical Component List
Electronic Component Description
Serial Data, Tow/Haul Switch, and Torque Signals
OBD II Symbol Description Notice
Ignition, Run and Start Bus Bar
BRAKE, HTR A/C, HVAC I
Ignition, Run, Start, Accy Bus Bar
IGN 0 , TBC IGN 0, TBC ACCY, SEO ACCY, W/S WIPER, RR WIPER
B+ Bus Bar (Gas) - 1 of 3
LH HID, RH HID, PCM B, CRANK, HORN, SIR
BRAKE, HTR A/C, HVAC I
IGN 0 , TBC IGN 0, TBC ACCY, SEO ACCY, W/S WIPER, RR WIPER
BRAKE, HTR A/C, HVAC I
BRAKE, HTR A/C, HVAC I
G102, G103-Gas
G102, G103, G108, and G109 - Diesel