GM Service Manual Online
For 1990-2009 cars only
Makes
🢒
Chevrolet
🢒
2003
🢒
Chevy C Silverado - 2WD
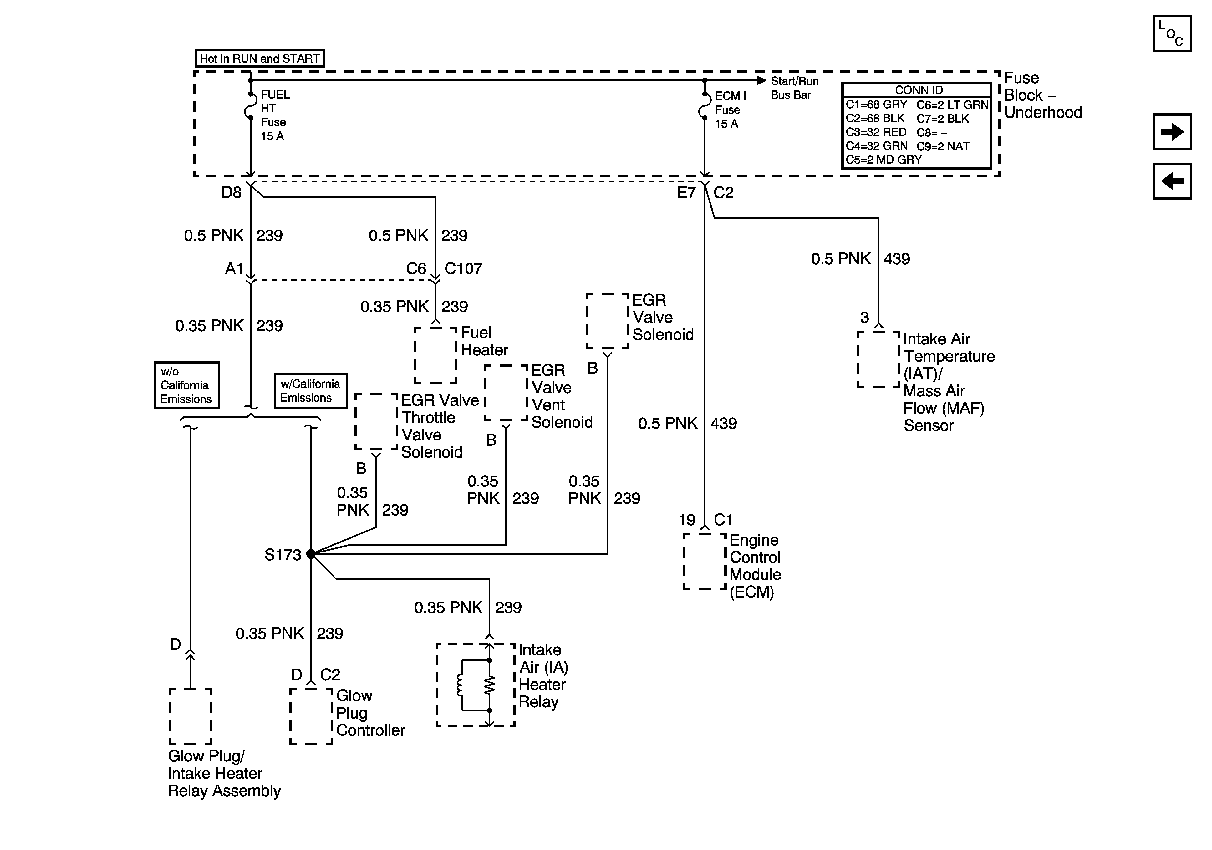
🢒 FUEL HT and ECM I Fuses - Diesel Only
FUEL HT and ECM I Fuses - Diesel Only
FUEL HT and ECM I Fuses - Diesel Only
Master Electrical Component List
TBC 2A, TBC 2B, TBC 2C, LT DOORS, RT DOORS, SEATS
INJ 1, INJ 2-8.1L Only
Ignition, Run, Start, Accy Bus Bar