GM Service Manual Online
For 1990-2009 cars only
Makes
🢒
Chevrolet
🢒
2003
🢒
Chevy C Silverado - 2WD
🢒 Charging System-Diesel
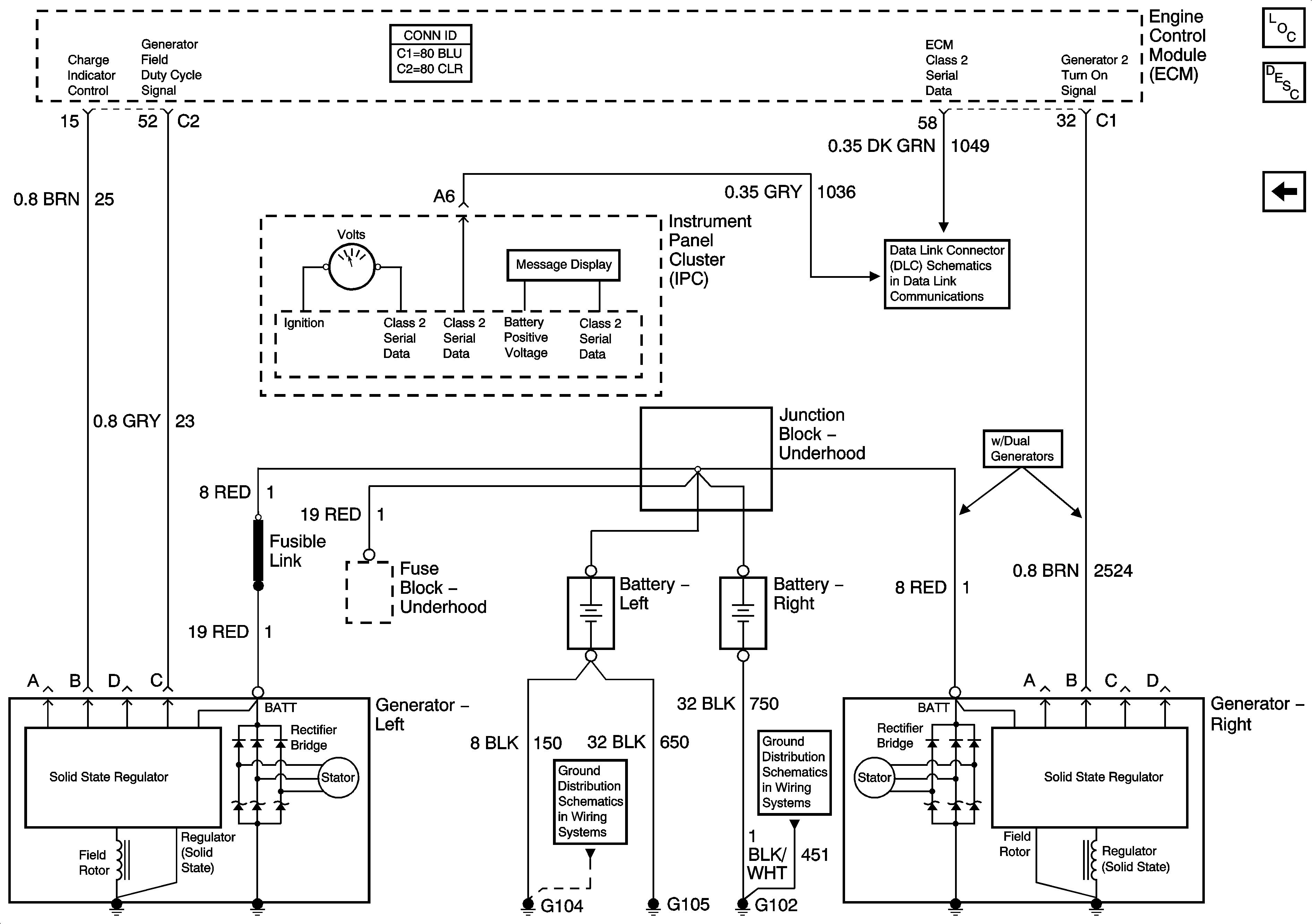
Charging System-Diesel
Charging System-Diesel
Master Electrical Component List
Charging System Description and Operation W/O Generator/Battery Control Module
Charging System-Gas
G104, G106, G107
G102, G103, G108, and G109 - Diesel
SP205 - 2 of 2