GM Service Manual Online
For 1990-2009 cars only
Makes
🢒
Chevrolet
🢒
2003
🢒
Chevy C Silverado - 2WD
🢒 Charging System-Gas
Charging System-Gas
Charging System-Gas
Master Electrical Component List
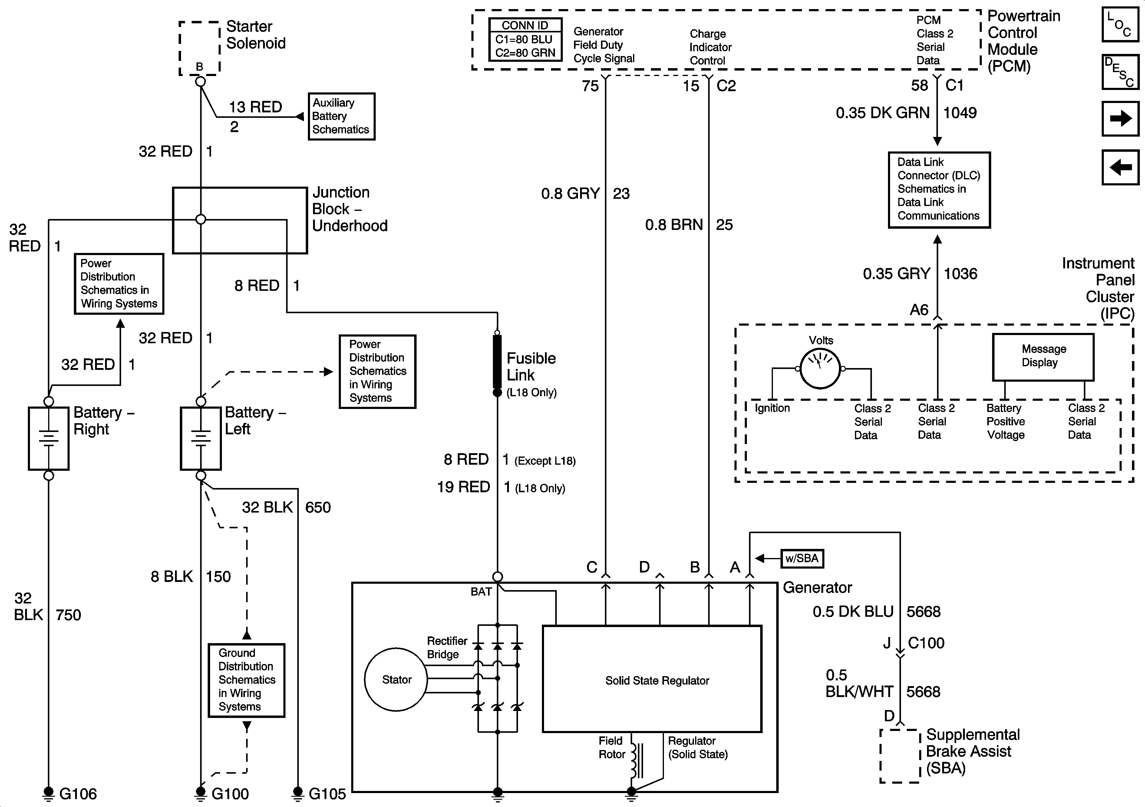
Charging System Description and Operation W/O Generator/Battery Control Module
Charging System-Diesel
Starting System-Diesel
B+ Bus Bar (Gas) - 1 of 3
Auxiliary Battery
B+ Bus Bar (Gas) - 1 of 3
G100, G101, G105
SP205 - 2 of 2