GM Service Manual Online
For 1990-2009 cars only
Makes
🢒
Chevrolet
🢒
2003
🢒
Chevy C Silverado - 2WD
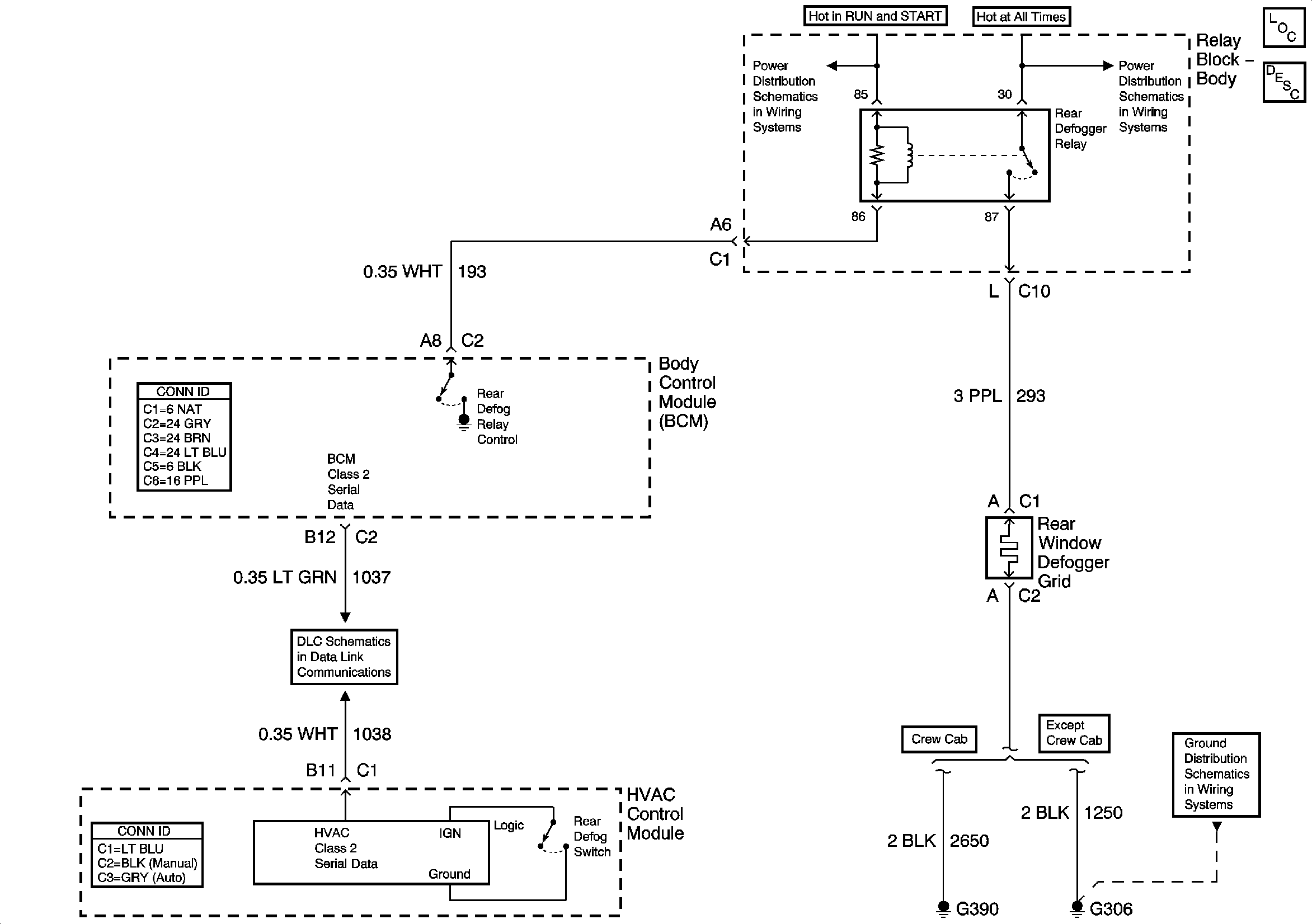
🢒 Rear Defogger Schematics
Rear Defogger Schematics
Master Electrical Component List
Rear Window Defogger Description and Operation
IGN 1 Relay Bus, SEO 2, RR DEFOG, SEO IGN, B/U LP
IGN 1 Relay Bus, SEO 2, RR DEFOG, SEO IGN, B/U LP
SP205 - 2 of 2
G306, G390