GM Service Manual Online
For 1990-2009 cars only
Makes
🢒
Chevrolet
🢒
2003
🢒
Chevy C Silverado - 2WD
🢒 Stop Lamps - GMC
Stop Lamps - GMC
Stop Lamps - GMC
Master Electrical Component List
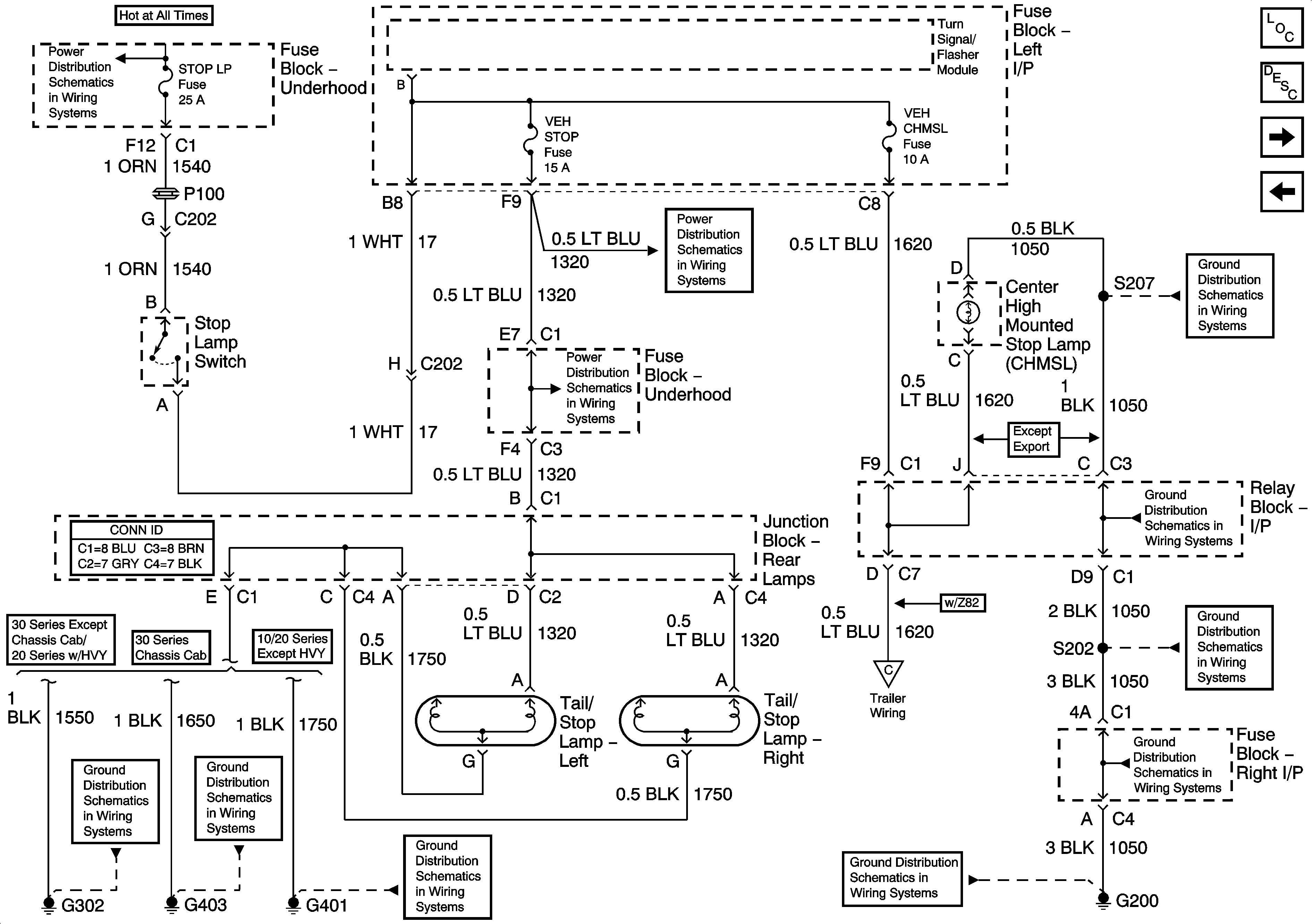
Exterior Lighting Systems Description and Operation
Stoplamps - Chevrolet
Left Rear Park Lamps - Chevrolet
B+ Bus Bar (Gas) - 1 of 3
CHMSL, STOP, LT TRLR, RT TRLR
CHMSL, STOP, LT TRLR, RT TRLR
G200-3 of 3
G200-3 of 3
Trailer Wiring/Connector
G200-1 of 3
G302
G403
G401, G402
G200-1 of 3
G200-1 of 3