GM Service Manual Online
For 1990-2009 cars only
Makes
🢒
Chevrolet
🢒
2003
🢒
Chevy C Silverado - 2WD
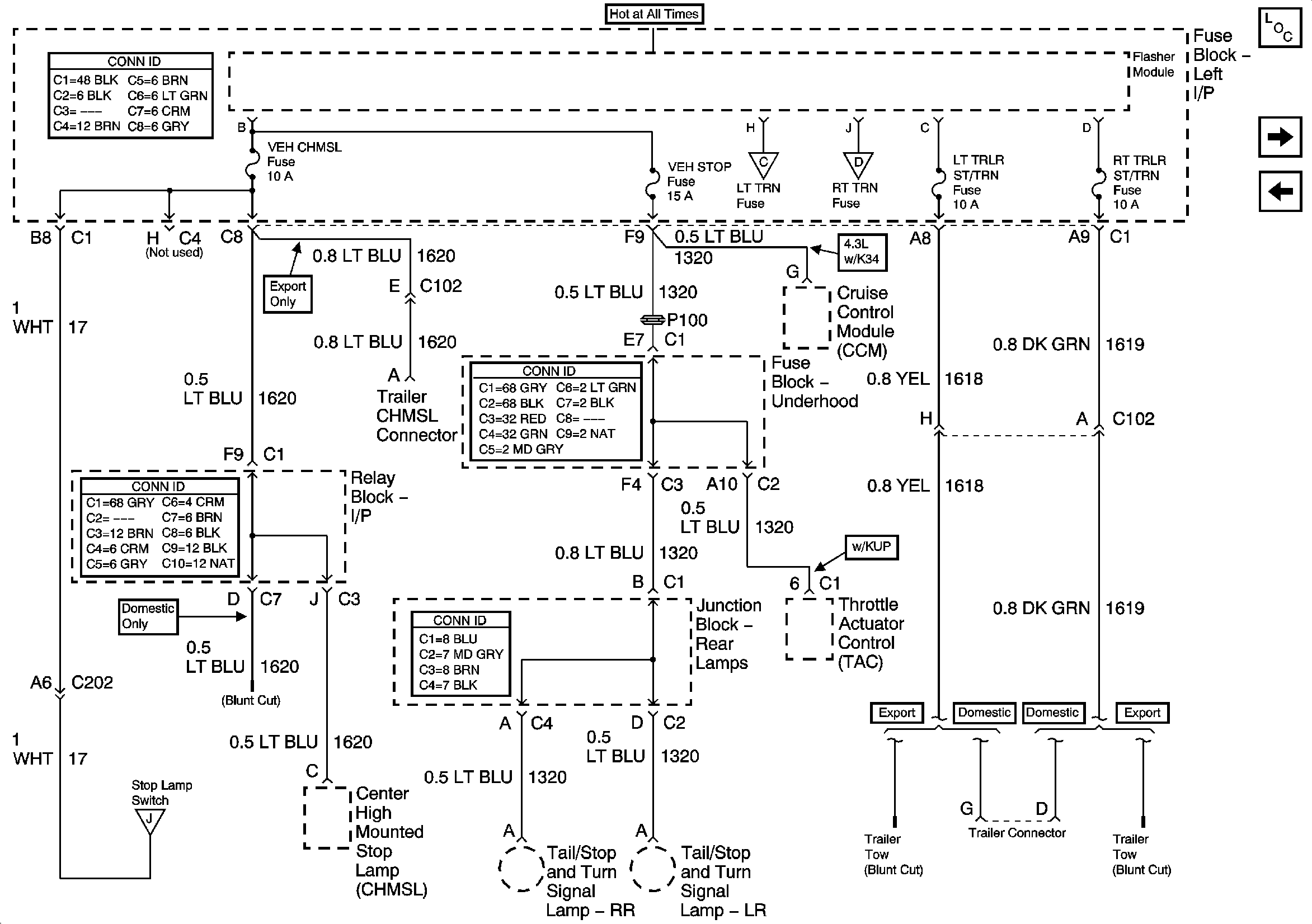
🢒 CHMSL, STOP, LT TRLR, RT TRLR
CHMSL, STOP, LT TRLR, RT TRLR
VEH CHMSL, VEH STOP, LT TRLR ST/TRN, RT TRLR ST/TRN
Master Electrical Component List
LT TURN, RT TURN - 1 of 2
FRT PARK, DRL, TRL PARK, INT PARK - Export
HVAC B, RR HVAC, BLOWER, RR DEFOG, STOP LP, TREC
LT TURN, RT TURN - 1 of 2